John Deere 4005 Compact Utility Tractor Diagnostic Repair Manual TM103019
Language: English
Format: PDF
Document: Diagnostic Repair Manual
Machine: Compact Utility Tractor
Machine Model: 4005
Pages: 452 Pages
Part Number: TM103019
Contents:
Manual Description
Safety
Specifications and Information
Engine - Diesel
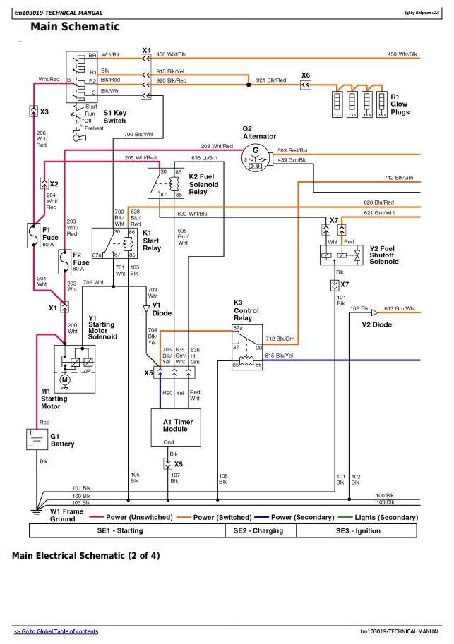
Electrical
Power Train - Gear
Hydraulics
Steering
Brakes
Miscellaneous




