John Deere 410E Backhoe Loader Repair Technical Manual TM1611
Language: English
Format: PDF
Document: Repair Technical Manual
Machine: Backhoe Loader
Machine Model: 410E
Pages: 842 Pages
Part Number: TM1611
Contents:
Foreword
General Information
Safety Information
General Specifications
Torque Values
Fuels and Lubricants
Wheels
Powered or Non-Powered Wheels and Fastenings
Axles and Suspension Systems
Input Drive Shafts and U-Joints
Non-Powered Wheel Axles
Powered Wheel Axle (MFWD)
Axle Shaft, Bearings and Reduction Gears
Dealer Fabricated Tools
Transmission
Removal and Installation
Controls Linkage
Input Drive Shafts and U-Joint
Gears, Shafts, Bearings, and Powershift Clutches
Hydraulic System
Dealer Fabricated Tools
Engine
Removal and Installation
Dealer Fabricated Tools
Engine Auxiliary Systems
Cold Weather Starting Aid
Cooling Systems
Speed Controls
Intake System
Exhaust System
External Fuel Supply System
Torque Converter
Turbine, Gears and Shaft
Steering System
Hydraulic System
Service Brakes
Active Elements
Hydraulic System
Park Brake
Active Elements
Electrical Systems
Batteries, Support, and Cables
Alternator, Regulator and Charging System Wiring
Lighting System
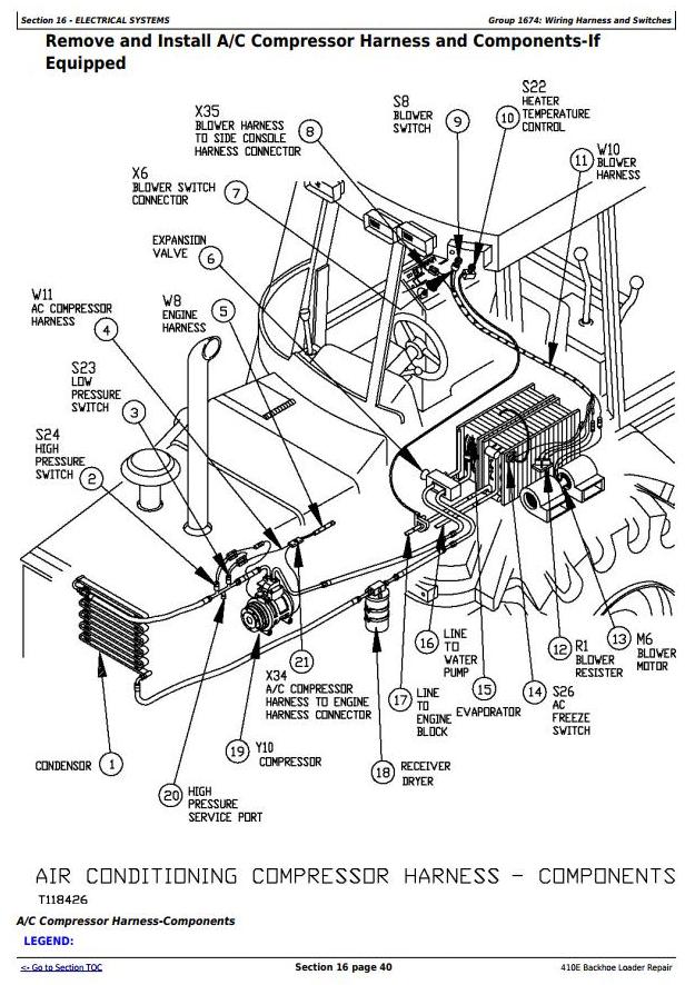
Wiring Harness and Switches
System Controls
Instruments and Indicators
Motors and Actuators
Frame, Chassis or Supporting Structure
Frame Installation
Chassis Weights
Operator’s Station
Removal and Installation
Operator Enclosure
Seat and Seat Belt
Heating and Air Conditioning
Dealer Fabricated Tools
Sheet Metal and Styling
Hood and Engine Enclosure
Miscellaneous Shields
Grille and Grille Housing
Fenders
Safety, Convenience and Miscellaneous
Radio
Horn and Warning Devices
Main Hydraulic System
Hydraulic System
Loader
Loader
Bucket
Control Linkages
Hydraulic System
Backhoe
Bucket
Control Linkage
Frame
Hydraulic System




