John Deere 410E Backhoe Loader Technical Manual TM1610
Language: English
Format: PDF
Document: Technical Manual
Machine: Backhoe Loader
Machine Model: 410E
Pages: 620 Pages
Part Number: TM1610
Contents:
Foreword
General Information
Safety Information
General Specifications
Torque Values
Fuels and Lubricants
Operational Checkout Procedure
Operational Checkout Procedure
ENGINE
Theory of Operation
Diagnostic Information
Adjustments
Test
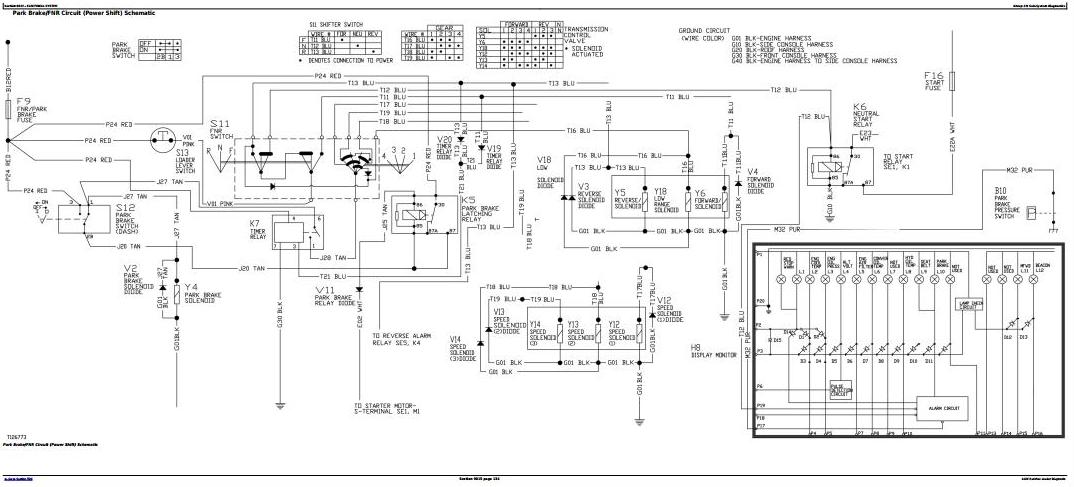
Electrical System
System Information
System Diagrams
Sub-System Diagnostics
References
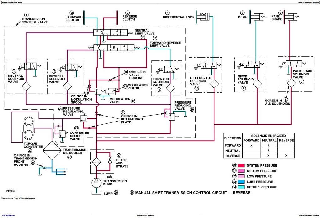
Power Train
Theory of Operation
System Diagnostic Information
Adjustments
Test
Hydraulic System
Theory of Operation
Diagnostic Information
Adjustments
Test
Heating And Air Conditioning
Theory Of Operation
System Operational Checks
Diagnostic Information
Adjustments
Test




