John Deere 410J Backhoe Loader Diagnostic Operation Test Manual TM10132
Language: English
Format: PDF
Document: Diagnostic Operation Test Manual
Machine: Backhoe Loader
Machine Model: 410J (S.N. before 161616)
Pages: 730 Pages
Part Number: TM10132
Contents:
Foreword
Technical Information Feedback Form
General Information
Safety Information
Diagnostics
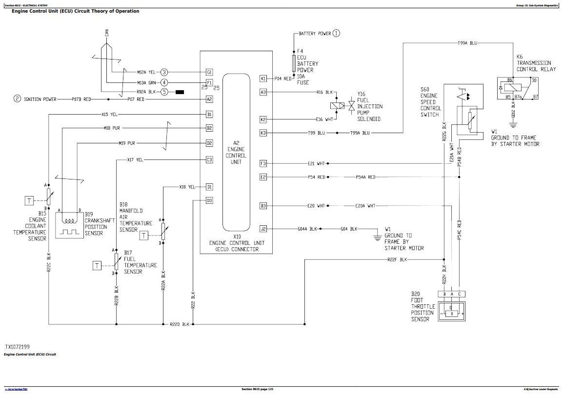
Engine Control Unit (ECU)
Flex Load Controller (FLC)
Standard Display Monitor (SDM)
Operational Checkout Procedure
Operational Checkout Procedure
Engine
Theory of Operation
Diagnostic Information
Adjustments
Test
Electrical System
System Information
System Diagrams
Sub-System Diagnostics
Monitor Operation
References
Power Train
Theory of Operation
Diagnostic Information
Adjustments
Test
Hydraulic System
Theory of Operation
Diagnostic Information
Adjustments
Test
Heating and Air Conditioning
Theory of Operation
Diagnostic Information
Test




