John Deere 415 455 Lawn Garden Tractor Technical Manual TM1836
Language: English
Format: PDF
Document: Technical Manual
Machine: Lawn Garden Tractor
Machine Model: 415, 455
Pages: 383 Pages
Part Number: TM1836
Contents:
Safety
Specification and Information
Diesel Engine
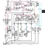
Electrical
Hydrostatic Power Train
Steering
Brakes
Hydraulics




