John Deere 444JR Forklift 4WD Loader Diagnostic Operation Test Manual TM11202
Language: English
Format: PDF
Document: Diagnostic Operation Test Manual
Machine: Forklift 4WD Loader
Machine Model: 444JR (SN. 620388-)
Pages: 971 Pages
Part Number: TM11202
Contents:
Foreword
Technical Information Feedback Form
General Information
Safety Information
Diagnostic Trouble Codes (DTC)
CAN Monitor Unit (CMU) Diagnostic Trouble Codes
Engine Control Unit (ECU) Diagnostic Trouble Codes
Transmission Control Unit (TCU) Diagnostic Trouble Codes
Flex Load Controller (FLC) Diagnostic Trouble Codes
Sealed Switch Module (SSM) Diagnostic Trouble Codes
Operational Checkout Procedure
Operational Checkout Procedure
Engine
Theory of Operation
Diagnostic Information
Test
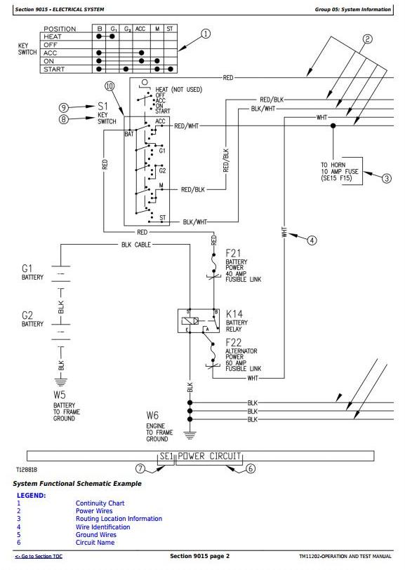
Electrical System
System Information
System Diagrams
Sub-System Diagnostics
References
Power Train
Theory of Operation
Diagnostic Information
Adjustments
Test
Hydraulic System
Theory of Operation
Diagnostic Information
Adjustments
Test
Heating And Air Conditioning
Theory Of Operation
Diagnostic Information
Test




