John Deere 450CLC Excavator Repair Technical Manual TM1925
Language: English
Format: PDF
Document: Repair Technical Manual
Machine: Excavator
Machine Model: 450CLC
Pages: 382 Pages
Part Number: TM1925
Contents:
Technical Information Feedback Form
General Information
Predelivery Assembly Instructions
Tracks
Track System
Axles and Suspension Systems (Propel)
Axle Shaft, Bearings and Reduction Gears
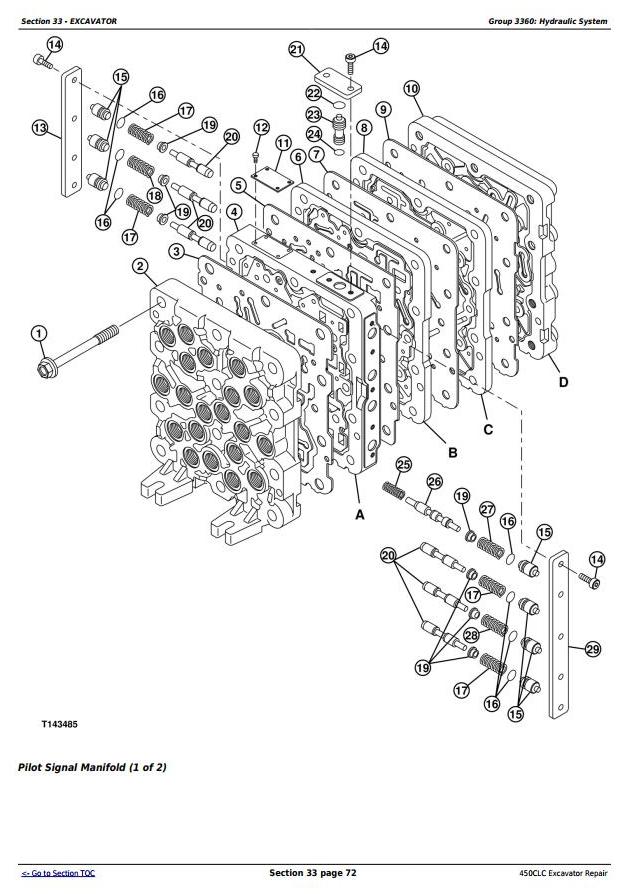
Hydraulic System
Engine
Removal and Installation
Engine Auxiliary Systems
Cooling System
Intake System
External Fuel Supply Systems
Connector Drive
Elements
Electrical System
Batteries, Support and Cables
Wiring Harness and Switches
System Controls
Frame, Chassis or Supporting Structure
Chassis Weights
Operator`s Station
Removal and Installation
Operator Enclosure
Seat and Seat Belt
Heater and Air Conditioning
Safety, Convenience, and Miscellaneous
Horn and Warning Devices
Excavator
Bucket
Frame
Hydraulic System
Swing or Pivoting System
Mechanical Drive Elements
Hydraulic System
Dealer Fabricated Tools
Dealer Fabricated Tools




