John Deere 450DLC Excavator Diagnostic Technical Manual TM2361
Language: English
Format: PDF
Document: Diagnostic Technical Manual
Machine: Excavator
Machine Model: 450DLC
Pages: 1046 Pages
Part Number: TM2361
Contents:
Foreword
Technical Information Feedback Form
General Information
Safety
Diagnostics
Main Controller (MCF) Diagnostic Trouble Codes
Engine Control Module (ECM) Diagnostic Trouble Codes
Information Controller (ICF) Diagnostic Trouble Codes
Air Conditioner Controller (ACF) Diagnostic Trouble Codes
Monitor Controller (MON) Diagnostic Trouble Codes
Operational Checkout Procedure
Operational Checkout Procedure
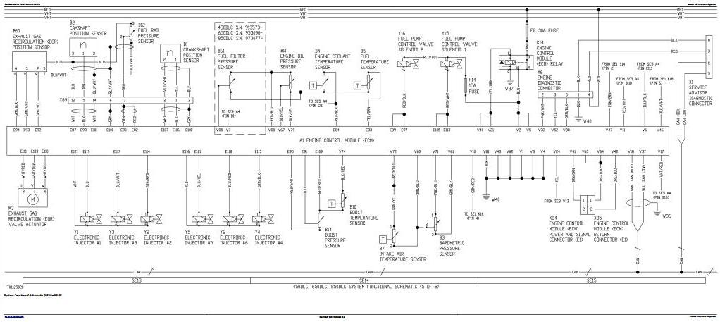
Engine
Theory of Operation
Diagnostic Information
Test
Electrical System
System Information
System Diagrams
Sub-System Diagnostics
Monitor Operation
References
Power Train
Theory of Operation
Diagnostic Information
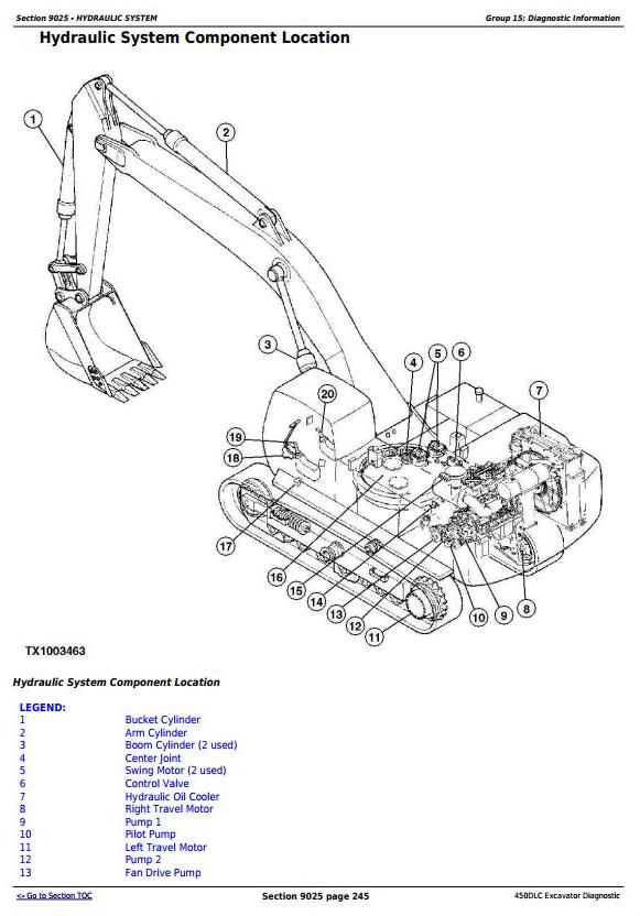
Hydraulic System
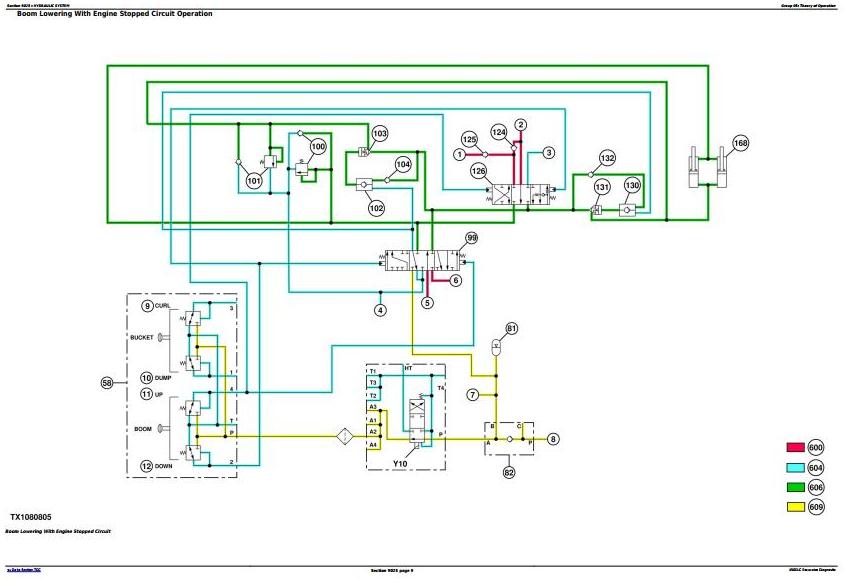
Theory of Operation
Diagnostic Information
Test
Heating and Air Conditioning System
Theory Of Operation
Diagnostic Information
Test
Reference Material
Terminology Cross Reference Chart




