John Deere 450LC Repair Technical Manual TM1672
Machine: Excavator
Machine Model: 450LC
Publication Date: 2005
Page: 691 Pages
Book Number: TM1672
The Bookmarks of John Deere 450LC Repair Technical Manual TM1672:
Foreword
Technical Information Feedback Form
General Information
Safety
General Specifications
Torque Values
Fuels And Lubricants
Predelivery Assembly Instructions
Tracks
Track System
Axles And Suspension Systems (Propel)
Axle Shaft, Bearings And Reduction Gears
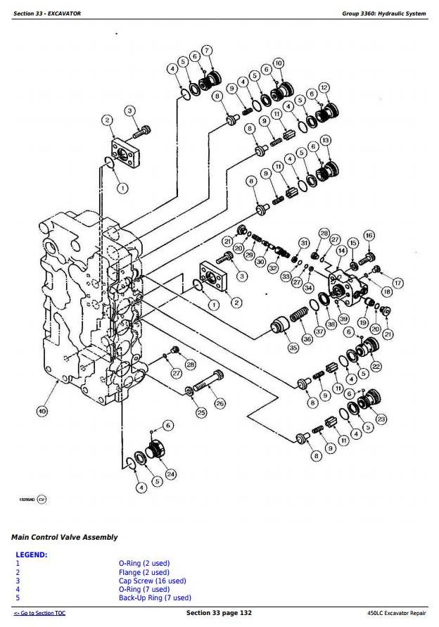
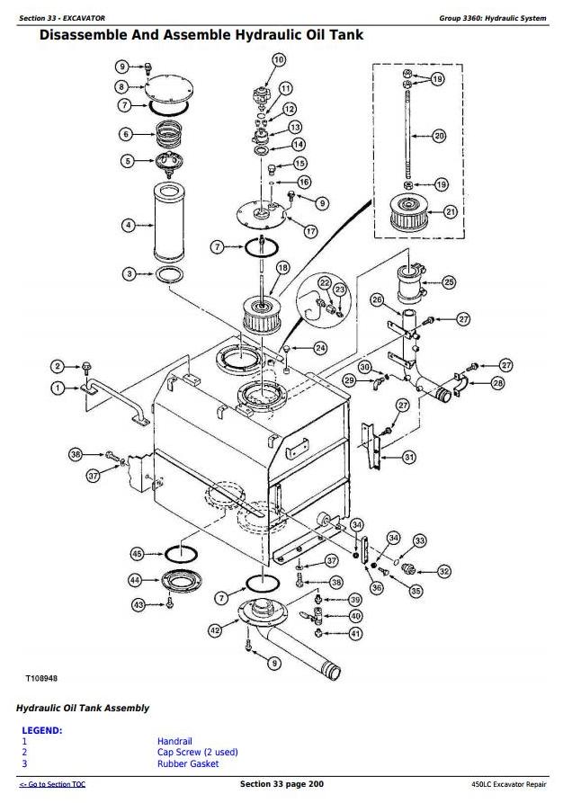
Hydraulic System
Engine
Removal And Installation
Engine Auxiliary Systems
Cold Weather Starting Aids
Cooling System
Speed Controls
Intake System
External Fuel Supply Systems
Connector Drive
Elements
Splitter Drive
Removal And Installation
Gears, Shafts And Bearings
Electrical System
Batteries, Support And Cables
Alternator, Regulator And Charging System Wiring
Wiring Harness And Switches
System Controls
Instruments And Indicators
Frame, Chassis Or Supporting Structure
Frame Installation
Chassis Weights
Operator`s Station
Removal And Installation
Operator Enclosure
Seat And Seat Belt
Heater And Air Conditioning
Safety, Convenience, And Miscellaneous
Horn And Warning Devices
Excavator
Bucket
Frames
Hydraulic System
Swing Or Pivoting System
Mechanical Drive Elements
Hydraulic System
Dealer Fabricated Tools
Dealer Fabricated Tools








