John Deere 4510 4610 4710 Compact Utility Tractor Technical Manual TM1986
Language: English
Format: PDF
Document: Technical Manual
Machine: Compact Utility Tractor
Machine Model: 4510, 4610, 4710
Pages: 1236 Pages
Part Number: TM1986
Contents:
Manual Description
Safety
Specifications & Information
Fastener Torques
O-Ring Seal Service Recommendations
O-Ring Seal Service Recommendations
General Information
Coolant Specifications
Serial Number Locations
Interlock System
Engine - Diesel
Specifications
Theory of Operation
Diagnostics
Test and Adjustments
Repair
Electrical
General Information
Specifications
Component Location
System Schematics
Troubleshooting
Theory and Diagnosis
Test and Adjustments
Service ADVISOR™ Test and Adjustments
Electrical
EEC Electrical Section
Component Location
System Schematics
Troubleshooting
Theory and Diagnosis
Power Train - Gear
Specifications
Component Location
Theory of Operation
Test and Adjustments
Repair
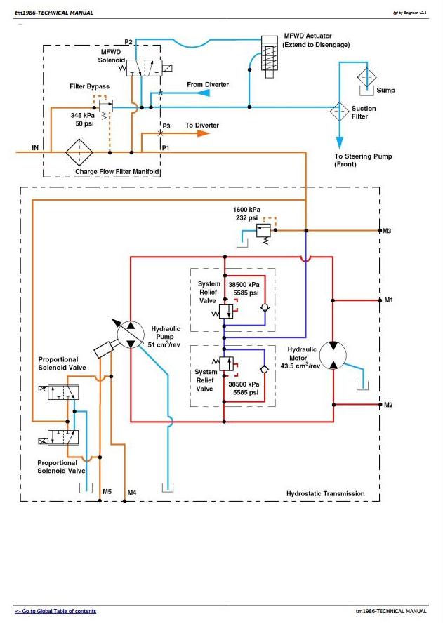
Power Train - Hydrostatic
Specifications
Component Location
Schematics
Theory of Operation
Troubleshooting
Diagnostics
Test and Adjustments
Repair
Power Train - PRT
Specifications
Component Location
Theory of Operation
Test and Adjustments
Repair
Power Train - Final Drive
Specifications
Component Location
Theory of Operation
Diagnostics
Test and Adjustments
Repair
PTO Theory of Operation
PTO Repair
Hydraulics
Specifications
Component Location
Schematics & Harnesses
Theory of Operation
Diagnostics
Test and Adjustments
Repair
Steering
Specifications
Component Location
Theory of Operation
Diagnostics
Test and Adjustments
Repair
Brakes
Specifications
Component Location
Theory of Operation
Diagnostics
Test and Adjustments
Repair
Miscellaneous
Specifications
Repair




