John Deere 4630 Self-Propelled Sprayer Diagnosis Test Manual TM106219
Size: 40.3 MB
Language: English
Format: PDF
Document: Diagnosis Test Manual
Machine: Self-Propelled Sprayer
Machine Model: 4630 (PIN Prefix 1YH)
Pages: 1451 Pages
Part Number: TM106219
Contents:
Diagnostic Trouble Codes
BHC - Boom Hydraulics Control Unit
CCU - Chassis Control Unit
ECU - Engine Control Unit
iTC - Integrated Terrain Compensation
SRC - Spray Rate Control Unit
SSU - Steering Control Unit
TEC - Tractor Equipment Control Unit
TEI - Tractor Equipment Interface
Observable Symptoms
Engine
Air Intake and Cooling Systems
Electrical Systems
Power Train Systems
Brake Systems
Hydraulic Systems
Tread Adjust System
Steering Systems
Operator`s Cab System
Solution System
Foam Marker
Automatic Suspension Leveling System
Engine
Air Intake and Cooling Systems
Electrical System
General Information
Component Identification
Calibration Procedures
Caution and Warning Messages
Diagnostic Trouble Codes
Diagnostic Addresses
Component Test
Agitation System
Air Conditioning and Heating System
Air Intake Heater
Auxiliary Power
Backup Alarm
Boom Fold/Unfold Diagnostics
Boom Leveling
Boom Raise and Lower
Boom Return to Height
CAN Bus
Caution Light
Charging System
Dome Light
Egress Light
Electric Fuel Pump
Electrical Power Supply
Engine Air Filter Restriction Switch
Engine and Fuel Control
Engine Coolant Temperature Sensor
Engine Oil Pressure
Engine Speed Sensor
Foam Marker
Fuel Level Sensor
GreenStar Automatic Steering
GreenStar Display
GreenStar Receiver
Horn
Hydraulic Oil Temperature
Ladder
Lighter
Lights
Multifunction Control Handle
Multifunction Control Handle Position
Operator Presence Switch
Park Brake
Radar
Radio
Seat Adjust
Solution Pressure
Solution Pump
Speed Range
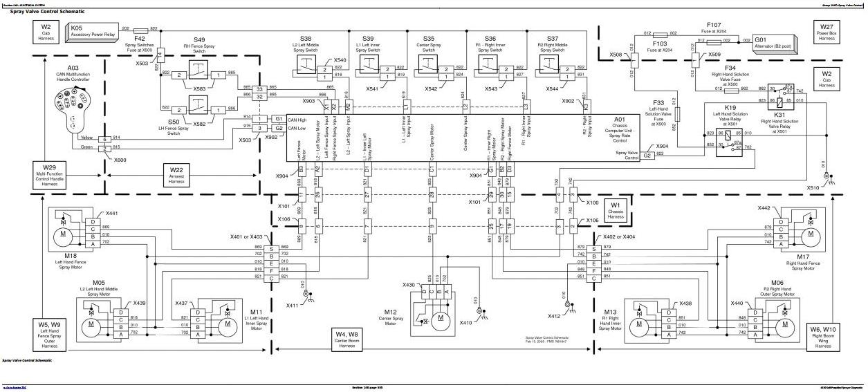
Spray Valve Control
Spray Rate
Starting System
Stop Indicator Light
Throttle
Traction Control
Tread Adjust
Wheel Speed
Wiper
Power Train System
Brake System
Hydraulic System
Tread Adjust System
Steering System
Operator Station
Solution System
Foam Marker System
Air Suspension System
Service Tools




