John Deere 469 569 Premium Hay Forage Round Balers Technical Manual TM121319
Language: English
Format: PDF
Document: Technical Manual
Machine: Premium Hay Forage Round Balers
Machine Model: 469 Premium, 569 Premium
Pages: 776 Pages
Part Number: TM121319
Contents:
Foreword
General
Safety
Specifications
General Information
Lubricants
Drive Train
General Information
Diagnosing Malfunctions
Drive Train Protection
PTO Driveline
Remove and Install Gear Case
Gear Case Repair
Roll Drives
Rolls
Miscellaneous
Hydraulics
General Information
Diagnosing Malfunctions
Operation and Test
Tensioning Valve Repair
Gate Lock Valve Repair
Cylinder Repair
Twine Mechanism-Electric
General Information
Diagnosing Malfunctions
Twine Wrap System Adjustments
Twine Wrap System Repair
COVEREDGE Net Wrap System
General Information
Diagnosing Malfunctions
Net Wrap Repair
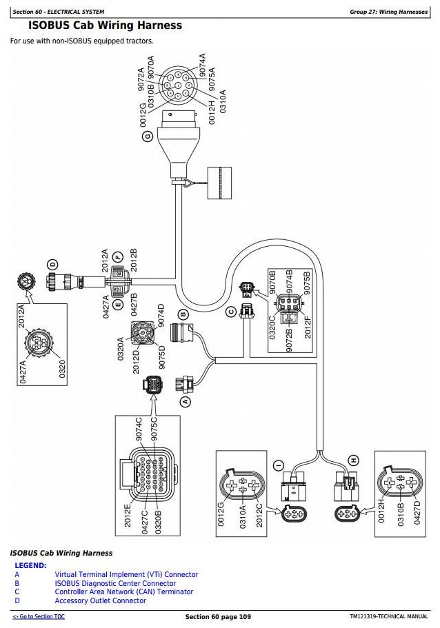
Electrical System
Common Electrical Test and Checks
Test and Adjustments-ISOBUS Display
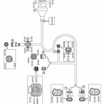
Baler Schematics
Wiring Harnesses
ISOBUS Display Operations
Repair-GreenStar Display
Sensors and Switches
Connector Repair
Pickup
General Information
Diagnosing Malfunctions
MEGAWIDE PLUS Pickup Repair
Miscellaneous
Miscellaneous
Wheel Repair
Gate Repair
Tension Arm Repair
Tongue Repair
Belt Repair
Main Frame Repair
Remove and Install Gull Wing Door
Fiberglass Repair
Dealer Fabricated Tools
Dealer Fabricated Tools




