John Deere 470GLC Excavator Troubleshooting Operation Test Manual TM13173X19
Language: English
Format: ZIP (Operational Principle Manual (TM13173X19), PDF, 367 Pages; Troubleshooting Manual (TM13180X19), PDF, 395 Pages)
Document: Diagnostic Operation Test Manual
Machine: Tracked Harvester
Machine Model: 470GLC (PIN: 1FF470GX__C047001-)
Part Number: TM13173X19
Contents:
TM13173X19
To The Reader
Additional References
Manual Composition
Page Number
Safety Alert Symbol and Headline Notations
Units Used
Symbol and Abbreviation
General
Specifications
Component Layout
Component Specifications
System
Controller
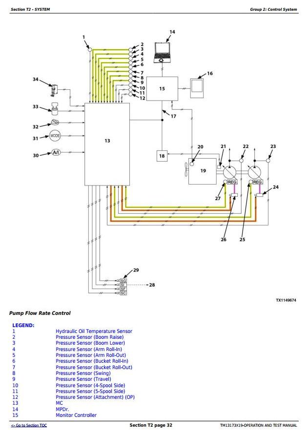
Control System
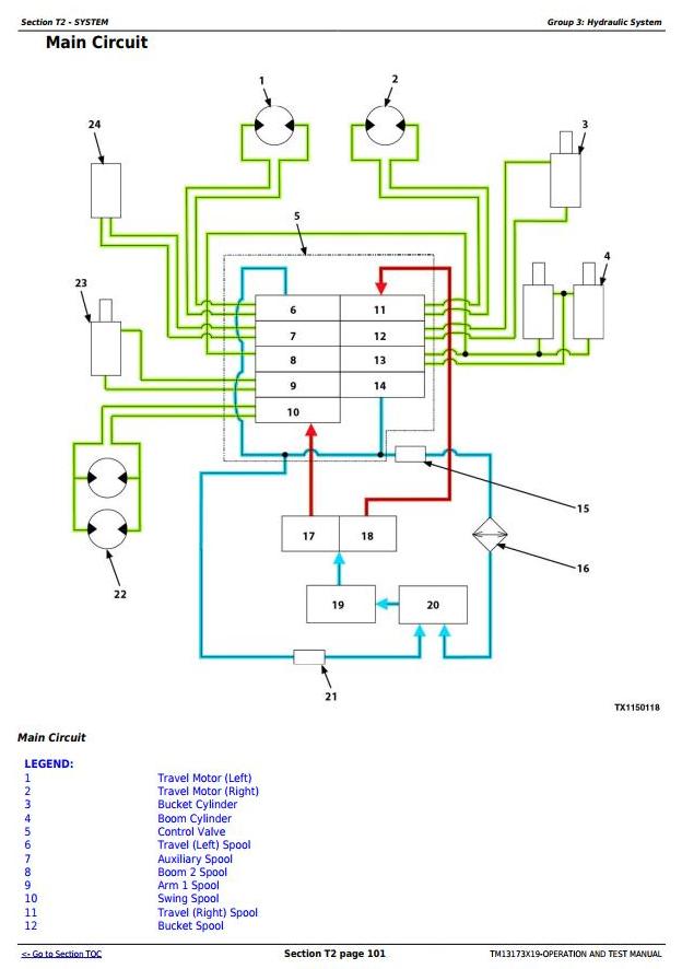
Hydraulic System
Electrical System
Component Operation
Pump Device
Swing Device
Control Valve
Pilot Valve
TM13180X19
To The Reader
Additional References
Manual Composition
Page Number
Safety Alert Symbol and Headline Notations
Units Used
Symbol and Abbreviation
Safety
Safety
Operational Performance Test
Introduction
Standard
Engine Test
Machine Performance Test
Component Test
Adjustment
Troubleshooting
Diagnosing Procedure
Monitor
e-Service
Component Layout
Troubleshooting A
Troubleshooting B
Air Conditioner
Travel Device
Signal Control Valve
Others (Upperstructure)
Others (Undercarriage)




