John Deere 4710 Self-Propelled Sprayer Diagnosis Test Manual TM1862
Language: English
Format: PDF
Document: Diagnosis Test Manual
Machine: Self-Propelled Sprayer
Machine Model: 4710 (SN. before 004000)
Pages: 1376 Pages
Part Number: TM1862
Contents:
Foreword
General Information
Machine Component Location
Diagnostic Trouble Codes
Fault Codes
SSU - Steering System Diagnostic Trouble Codes
Observed Symptoms
Engine Diagnosis and Test
Fuel and Air Diagnosis and Test
Electrical Diagnosis and Test
Diagnostic Schematic and Schematic Symbols Information
Seven Step Electrical Test Procedure
System Diagrams
Agitation Diagnostics
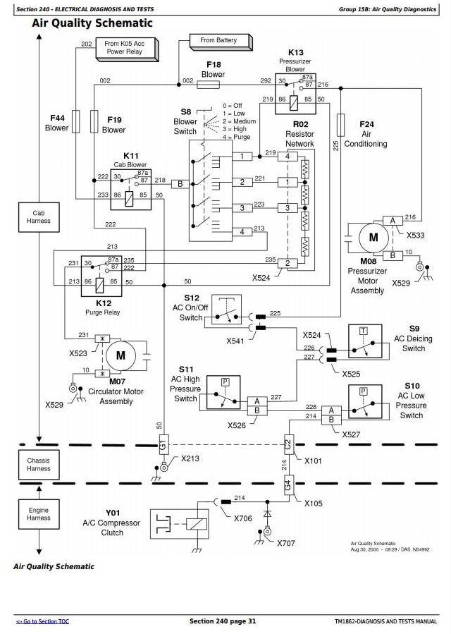
Air Quality Diagnostics
Auxiliary Power Diagnostics
CAN Bus Type B Diagnostics
CCU/SRC Controller Diagnostics
Caution Light Diagnostics
Charging Diagnostics
Dome Lamp Diagnostics
Engine Air Filter Switch Diagnostics
Engine Coolant Sensor Diagnostics
Engine Oil Pressure Switch Diagnostics
Engine Speed Sensor Diagnostics
Foam Marker (Dual Drop) Diagnostics
Foam Marker (Single Drop) Diagnostics
Fuel Level Sensor Diagnostics
Fuel Shut-Off Diagnostics
Horn Diagnostics
Hydraulic Oil Temperature Sensor Diagnostics
Hydrostatic Boost Diagnostics
Ladder w/ Remote Control Diagnostics
Ladder w/o Remote Control Diagnostics
Lighter Diagnostics
Lighting Diagnostics
Load Sense Jam Valve Diagnostics
Park Brake Diagnostics
Power Diagnostics
Radar Sensor Diagnostics
Radio and Clock Diagnostics
Seat Adjust Diagnostics
Stop Light Diagnostics
Solution Pressure Diagnostics
Solution Pump Diagnostics
Speed Range Diagnostics
Spray Control Diagnostics
Spray Rate Diagnostics
Start Aid Diagnostics
Starting System Diagnostics
Throttle w/Remote Control Diagnostics
Throttle W/O Remote Control Diagnostics
Traction Control Diagnostics
Tread Adjust Diagnostics
Wheel Speed Sensor Diagnostics
Wiper Diagnostics
Connector Information (end views, numbers, location photos)
Power Train Diagnosis and Test
Brake Systems Diagnosis and Test
Hydraulic System Diagnosis and Test
Suspension and Tread Adjust Diagnosis and Test
Steering System Diagnosis and Test
Operator Station Diagnosis and Test
Solution System Diagnosis and Test
Foam Marker Diagnosis and Test
Dealer Fabricated Tools




