John Deere 4720 Self-Propelled Sprayer Diagnosis Test Manual TM2230
Language: English
Format: PDF
Document: Diagnosis Test Manual
Machine: Self-Propelled Sprayer
Machine Model: 4720
Pages: 1664 Pages
Part Number: TM2230
Contents:
Diagnostic Trouble Codes
Observable Symptoms
Engine System
Air Intake and Cooling System
Electrical Diagnosis and Test
Power Train Diagnosis and Test
Brake System Diagnosis and Test
Hydraulic System Diagnosis and Test
Hydraulic Tread Adjust Diagnostics
Steering Diagnostics
Operator Station Diagnostics
Solution System Diagnostics
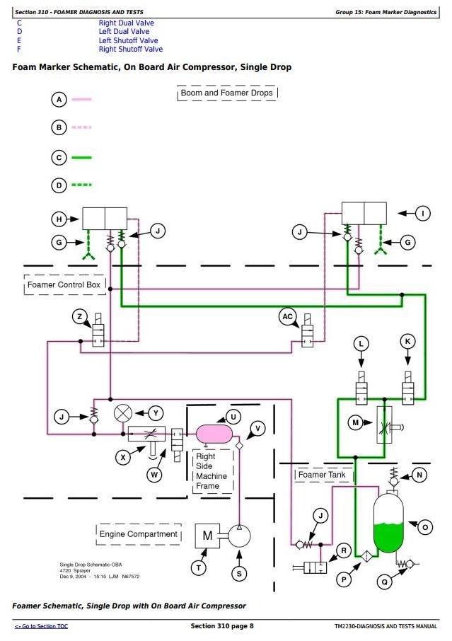
Foamer System Diagnostics
Auto Suspension Leveling System Diagnostics
Engine System
Air Intake and Cooling Systems
Electrical Diagnosis and Test
SprayStar Display Operation Guide
Diagnostic Codes and Addresses
Agitation Diagnostics
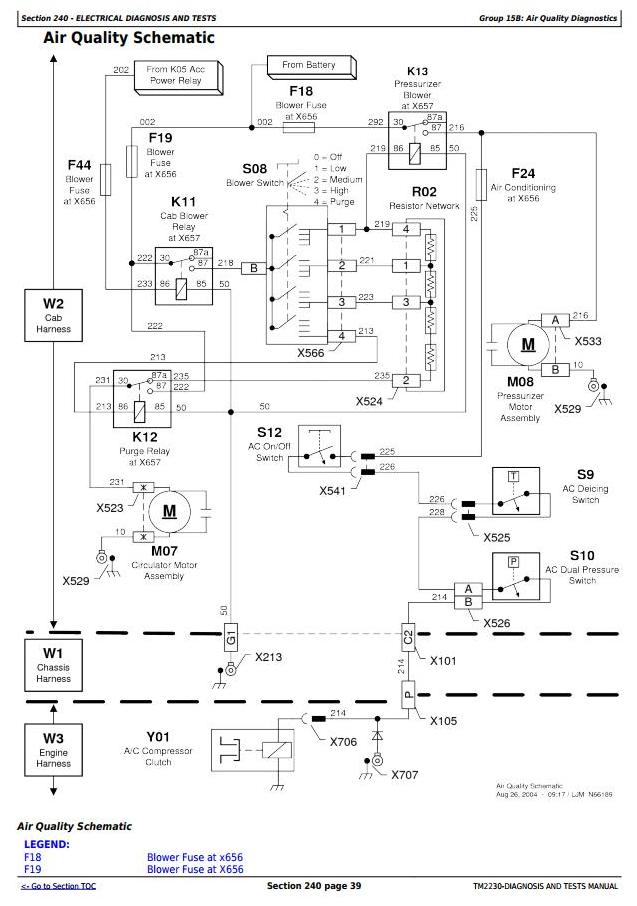
Air Quality Diagnostics
Auxiliary Power Diagnostics
Boom Left Hand Leveling Diagnostics (60 ft)
Boom Left Hand Leveling Diagnostics (80/90 ft)
Boom Raise/Lower Diagnostics (60 ft)
Boom Raise/Lower Diagnostics (80/90 ft)
Boom Return to Height Diagnostics
Boom Right Hand Leveling Diagnostics (60 ft)
Boom Right Hand Leveling Diagnostics (80/90 ft)
Boom Roll/Bias Diagnostics (80/90 ft)
Boom Unfold and Fold Diagnostics 18.3 m (60 ft)
Boom Unfold and Fold Diagnostics (80/90 ft)
CAN Bus Diagnostics
CAN Multifunction Control Handle Diagnostics
Caution Light Diagnostics
Charging System Diagnostics
Dome and Sentry Light Diagnostics
Engine Air Filter Switch Diagnostics
Engine Control Unit-Overall Diagnostics
Engine and Fuel Control Diagnostics
Engine Oil Pressure Switch Diagnostics
Engine Coolant Sensor Diagnostics
Engine Speed Sensor Diagnostics
Foam Marker (Dual Drop) Diagnostics
Foam Marker (Single Drop) Diagnostics
Fuel Level Sensor Diagnostics
Glow Plug Diagnostics
Horn Diagnostics
Hydraulic Oil Temperature Sensor Diagnostics
Hydrostatic Boost Diagnostics
Power Train Diagnosis and Test
Brake Systems Diagnosis and Test
Hydraulic System Diagnosis and Test
Suspension and Tread Adjust Diagnosis and Test
Steering System Diagnosis and Test
Operator Station Diagnosis and Test
Solution System Diagnosis and Test
Foamer Diagnosis and Test
Automatic Air Suspension Leveling System Diagnostics and Test
Dealer Fabricated Tools




