John Deere 4720 Self-Propelled Sprayer Technical Manual TM2229
Language: English
Format: PDF
Document: Technical Manual
Machine: Self-Propelled Sprayer
Machine Model: 4720
Pages: 691 Pages
Part Number: TM2229
Contents:
Foreword
General Information
Safety
General Information
Fuels and Lubricants
Engine
Component Removal and Installation
Fuel, Air Intake, and Cooling Systems
Diesel Fuel System
Engine Cooling System
Electrical
Batteries
Connector Repair
Charging Circuit
Starting Circuit
Switches and Relays
Monitoring Systems and Sensors
Accessory Connectors
Convenience and Accessory Components
Retractable Ladder
Power Train Repair
Remove and Install Hydrostatic Components
Hydrostatic Drive Repair
Planetary Hub Repair
Steering and Brakes
Steering Column
Steering Valve
Steering Cylinder
Brakes
AutoTrac Steering System
Suspension and Tread Adjust Repair
Suspension
Tread Adjust Valves
Tread Adjust Cylinders
Tread Adjust Shim Pads
Hydraulic System
Hydraulic Pump
Hydraulic Valves
Boom Hydraulic Cylinders
Hydraulic Oil Cooler
Hydraulic Reservoir
Accumulator
Solution Spray System
Nozzle Repair
Solution Tank
Solution Pump
Solution Control Valves
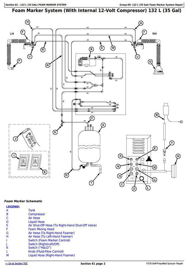
132 L (35 Gal) Foam Marker System
132 L (35 Gal) Foam Marker System Repair
On Board Air System
Operator Station
Component Removal and Installation
Controls
Air Conditioning System
Heating System
Air Suspension Seat
Cab Door and Windshield
Boom Repair
Boom Repair
Dealer Fabricated Tools
Dealer Fabricated Tools




