John Deere 4895 Self-Propelled Windrower Diagnosis Test Manual TM2114
Language: English
Format: PDF
Document: Diagnosis Test Manual
Machine: Self-Propelled Windrower
Machine Model: 4895 (SN. from 180001)
Pages: 1013 Pages
Part Number: TM2114
Contents:
Observable Symptoms
Engine
Fuel/Air Systems
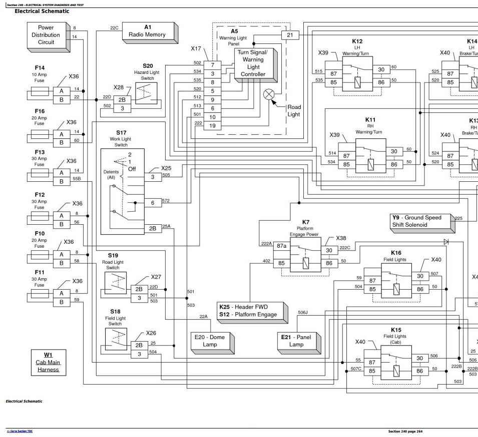
Electrical System Diagnosis and Test
How To Use This Diagnostic Information
Test And Adjustments
Air Condition and Heat Diagnostics
Armrest - Float Pressure Diagnostics
Armrest - Field/Road Shift (Running Lights) Diagnostics
Armrest - Platform Engage Diagnostics
Armrest - Throttle Control Diagnostics
Auxiliary Power Diagnostics
Charging Diagnostics
COMFORT COMMAND Seat Diagnostics
Gauges - Engine Temperature and Fuel Level Diagnostics
GPS Receiver (non-Deere) Diagnostics (S.N. 330107 - XXXXXX)
GreenStar Systems Diagnostic
Horn Diagnostics
Hydro Handle Diagnostics
Lighting System Diagnostics
Park Brake Diagnostics
Power Distribution Diagnostics
Radio Diagnostics
Rotating Wand Diagnostics
Starting System Diagnostics
Tachometer - Engine Speed and Hourmeter Diagnostics
Tachometer - Float Pressure Diagnostics
Tachometer - Ground Speed/Park Brake Diagnostics
Tachometer - Overall Diagnostics
Tachometer - Platform Speed and Hourmeter Diagnostics
Warning Display Panel
- Alternator Diagnostics
- Engine Air Filter Diagnostics
- Engine Oil Pressure Diagnostics
- Engine Temperature Diagnostics
- Float Pressure Warning Diagnostics
- Hydraulic Oil Filter Diagnostics
- Hydrostatic Charge Pressure Low Diagnostics
- Hydrostatic Oil Temperature Diagnostics
- Low Fuel Diagnostics
- Operator Presence Diagnostics
- Overall Diagnostics
- Park Brake Diagnostics
- Road Shift Engage Light Diagnostics
Wiper Diagnostics
Connector Information (end views, numbers, location photos)
Power Train Diagnosis and Test
General Information
Test and Adjustments
Power Train Diagnostics
Range Shift Diagnostics
Steering and Brake Release Diagnostics
Final Drive Diagnostics
Component Location
Steering and Brakes Diagnosis and Test
Hydraulic System Diagnosis and Test
General Information
System Test and Adjustments
General Hydraulic System Diagnostics
Priority Valve Diagnostics
Open Center Circuit Diagnostics
Platform Raise/Lower Diagnostics
Platform Tilt Diagnostics
Platform Float Diagnostics
Platform Drive Diagnostics
Auxiliary-Charge Pump Diagnostics
Component Location
Operator Station Diagnosis and Test
Air Conditioning General Information
Test and Adjustments
Air Conditioning and Heater Diagnostics
Component Location




