John Deere 4LZ-6 4LZ-7 C100 Combine Diagnostic Repair Manual TM132619
Language: English
Format: PDF
Document: Diagnostic Repair Manual
Machine: Combine
Machine Model: C100
Pages: 729 Pages
Part Number: TM132619
Contents:
Foreword
General
Safety
Specifications
Fuels, Lubricants, and Coolants
Dimensions
Delivery and Storage Instructions
Engine
Engine Cooling System
Engine
Fuel and Air
Components
Intake and Exhaust System
Electrical System
Battery
Fuses and Relays
Operators Station
Sensors and Switches
Alternator and Voltage Regulator
Starting Motor and Starting Relay
Ground Drive
Variable Speed
Clutch
Transmission and Differential
Final Drive
Brakes and Rear Axle
Brakes
Rear Axle
Brake Valve and Brake Fluid Reservoir
Hydraulic System
Hydraulic Reservoir
Hydraulic Pump
Hydraulic Control Valve
Hydraulic Cylinders
Miscellaneous
Shafts and Bearings
Belts
Chain
Operator Station
Cab
Header Repair
Knife Drive
Auger
Reel
Trailer
Feeder House
Feeder House
Threshing Separation and Grain Cleaning
Cylinder and Concave
Separator Drive
Rotor
Cleaning
Elevator, Grain Tank, and Unloading
Elevators and Augers
Electrical Diagnostic
General References
Theory of Operation
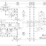
Schematics
Diagnostics
Electrical Components - Connectors
Electrical Components
Hydraulic Diagnostics
Hydraulic System Specification
Theory of Operation
Schematics
Diagnostics
Hydraulic Components
Using Instruction
Symbol Reference
Hydraulic-C Components
Hydraulic-F Component
Hydraulic-G Components
Hydraulic-O Components
Hydraulic-P Components
Hydraulic-R Components
Hydraulic-V Components
Hydraulic-X Components




