John Deere 4LZ-7 4LZ-9 C110 Combine Diagnostic Repair Manual TM121419
Language: English
Format: PDF
Document: Diagnostic Repair Manual
Machine: Combine
Machine Model: C110
Pages: 809 Pages
Part Number: TM121419
Contents:
Foreword
General
Safety
Specifications
Fuels, Lubricants, and Coolants
Dimensions
Delivery and Storage Instructions
Engine
Engine Cooling System
Engine
Fuel and Air
Components
Intake and Exhaust System
Electrical System
Battery
Electrical Components
Alternator
Starting Motor and Starting Relay
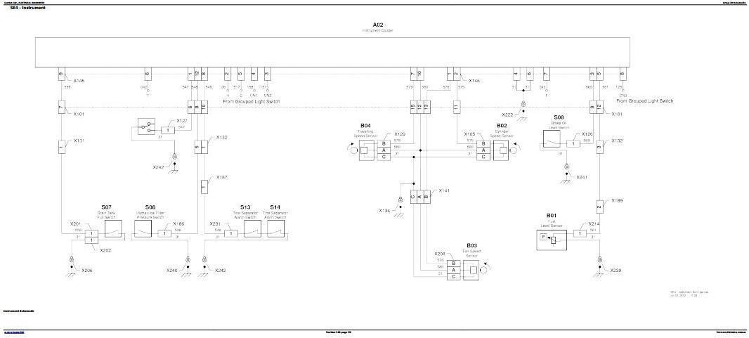
Sensors
Ground Drive
Variable Speed
Clutch
Transmission and Differential
Final Drive
Brakes and Rear Axle
Brakes
Rear Axle
Brake Valve and Brake Fluid Reservoir
Hydraulic System
Hydraulic Lines and Connections
Hydraulic Reservoir
Hydraulic Pump
Hydraulic Control Valve
Hydraulic Cylinders
Accumulator
Hydrostatic Motor
Miscellaneous
Shafts and Bearings
Belts
Chain
Operator Station
Cab
Windshield Wiper
Operating Platform Levers
Operator Seat
Steering Column
Header Repair
Knife Drive
Auger
Reel
Trailer
Feeder House
Feeder House-Removing and Installing
Feeder House-Adjustments
Threshing Separation and Grain Cleaning
Cylinder and Concave
Separator Drive
Rotor
Cleaning
Elevator, Grain Tank and Unloading
Elevators and Augers
Electrical Diagnostic
General References
Theory of Operation
Schematics
Diagnostics
Electrical Components/Connectors
Electrical Connectors
Hydraulic Diagnostics
Hydraulic System Specification
Theory of Operation
Schematics
Diagnostics
Hydraulic Components
Hydraulic System Components
Hydraulic Sub-System Components
Hydraulic System Sub-Components




