John Deere 4TNV94FHT Yanmar Diesel Engine Component Technical Manual CTM136419
Size: 37 MB
Language: English
Format: PDF
Document: Component Technical Manual
Machine: Yanmar Diesel Engine Final Tier 4 Platform
Machine Model: 4TNV94FHT
Part Number: CTM136419
Page: 1138 Pages
Contents:
Foreword
Identification Views
Related Manuals
Training Information
Definition of Terms
Trademarks
General Information
Safety
Engine Identification Information
Fuels, Lubricants, and Coolants
Repair and Adjustments
Engine Rebuild
Cylinder Head and Valves Repair and Adjustment
Cylinder Block, Pistons, and Connecting Rods Repair and Adjustment
Crankshaft, Main Bearings, and Flywheel Repair and Adjustment
Camshaft and Timing Gear Train Repair and Adjustment
Lubrication System Repair and Adjustment
Cooling System Repair and Adjustment
Air Intake and Exhaust System Repair and Adjustment
Electronic Fuel System Repair and Adjustment
Starting System Repair and Adjustment
Electrical Engine Control Repair and Adjustment
Aftertreatment Devices Repair and Adjustment
DEF Dosing Aftertreatment Devices Repair and Adjustment
Theory of Operation
Base Engine Operation
Cooling System
Lubrication System
Electronic Fuel System
Air Intake and Exhaust System
Aftertreatment System
Electronic Control System
Diagnostics
Observable Diagnostics and Test
Checks, Test, and Procedures
Diagnostic Instructions and Information
DTC SPN - 000001 - 000199
DTC SPN - 000200 - 000699
DTC SPN - 000700 - 001999
DTC SPN - 002000 - 002999
DTC SPN - 003000 - 003999
DTC SPN - 004000 - 529999
U Codes
Tools and Other Materials
Special Tools
Lubricants, Sealants, and Cleaners
Specifications
Repair and General Specifications
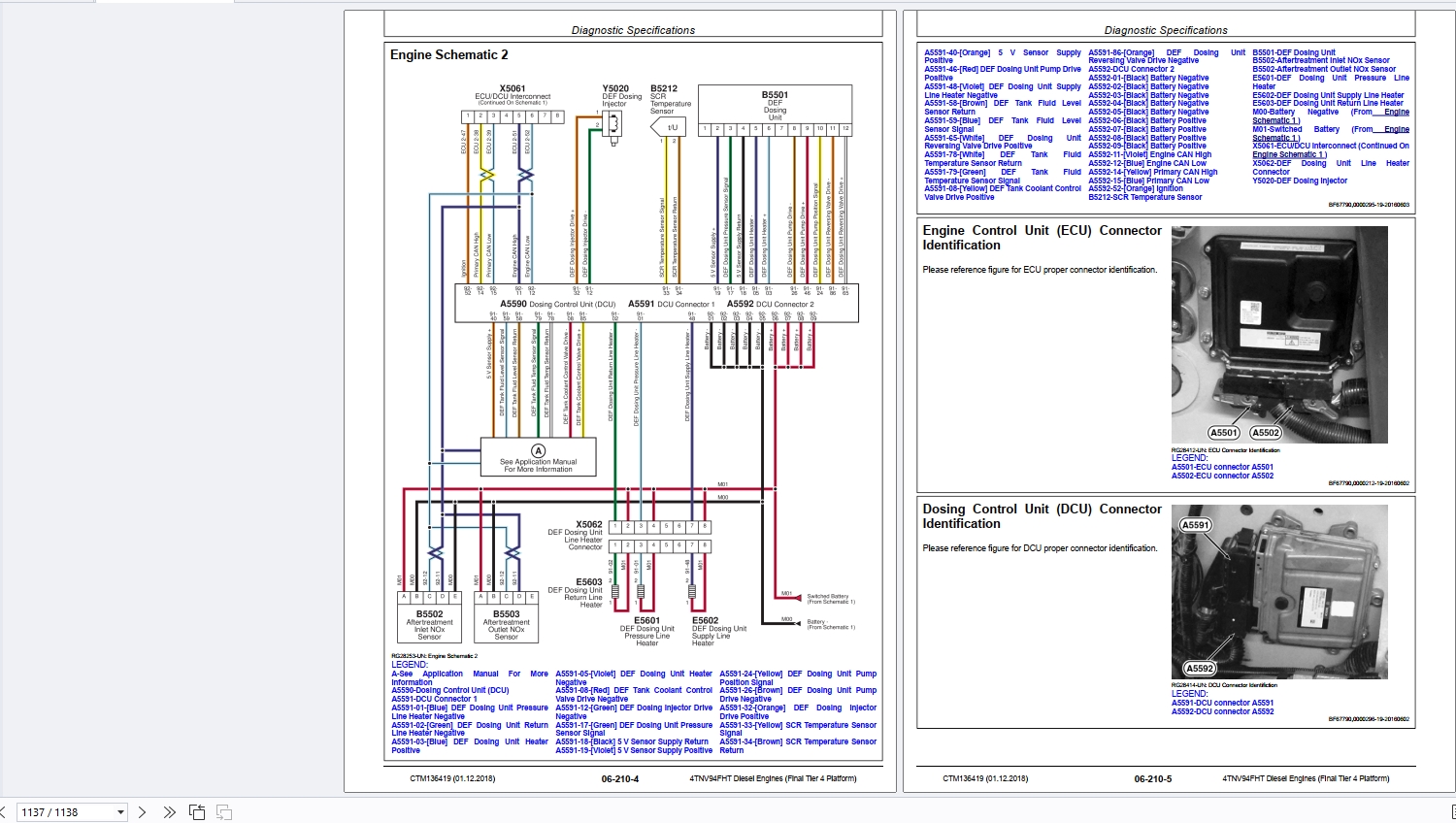
Diagnostic Specifications



