John Deere 5070M 5080M 5090M 5100M (European) Tractor Diagnostic Test Service Manual TM401919
Language: English
Format: PDF
Document: Diagnostic Test Service Manual
Machine: Tractor
Machine Model: 5070M, 5080M, 5090M, 5100M
Pages: 1715 Pages
Part Number: TM401919
Contents:
Foreword
General Information
Safety
General References
Diagnostics
CCU Code Diagnostics
HCU Code Diagnostics
ICC Code Diagnostics
PTR Code Diagnostics
Observable Symptoms
Electrical System
Electronic Control Units
Transmission
Steering and Brakes
System Diagnostics
Electronic Control Units
Drive Systems
Engines
General Information
Operational Checks
Test and Adjustments
Fuel, Air Intake and Cooling Systems
Test and Adjustments
Fuel System
Air Intake System
Cooling System
Cold-Weather Starting Aids
Electrical System
Starting Motor and Charging Circuit
Fuel Pump and Fuel Preheater
Electrical Starting Aid
ICC Control Unit
Horn
Operator's Seat and Cigarette Lighter
Lights
Worklights
Radio, Dome Light and Console Light
Air-Conditioning System and Fan
Windshield Wiper and Washer
Rear Window Wiper and Washer
Beacon Light
3-Terminal Socket (ECE) and Connector for Accessories
Hazard Warning and Turn Signal Lights
Brake Lights
Front PTO
Signal Socket and Service Socket
7-Terminal Socket (ECE)
CAN BUS Terminating Resistor
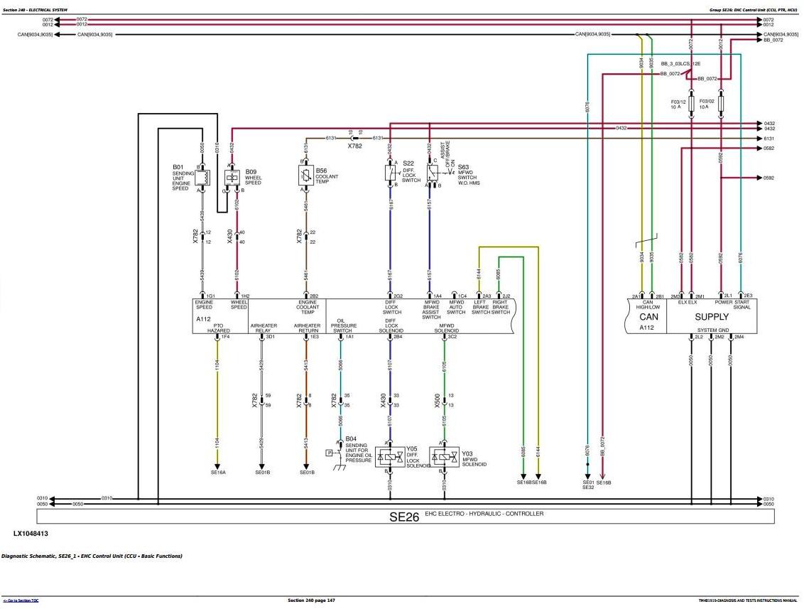
EHC Control Unit (CCU, PTR, HCU)
Prewiring for GreenStar
Front Loader
Component Information - Connectors and Contacts
Component Information - Connectors (X001 to X249)
Component Information - Connectors (X250 to X499)
Component Information - Connectors (X500 to X749)
Component Information - Connectors (X750 to X999)
Component Information - Connectors (X1000 to X1249)
Component Information - Connectors (XGND)
Component Information - Wiring Harnesses
Component Information - Electrical Parts/Components
Component Information - Electrical Parts/Components (Actuators)
Component Information - Electrical Parts/Components (Sensors/Switches/Potentiometers)
Component Information - Electrical Parts/Components (Fuses/Relays/Diodes)
Component Information - Electrical Parts/Components (Headlamps/Lights)
Component Information - Electrical Parts/Components (Other)
Component Information - Ground Connections
Component Information - CAN BUS System
Control Units
General References
Interactive Test
Interactive Calibrations
Information on How to Reprogram Control Units
Data BUS Systems
CCU Control Software
HCU Control Software
ICC Control Unit
PTR Control Software
Transmission
Preliminary and Operational Checks
Test and Adjustments
Theory of Operation
Drive Systems
Operational Checks
Test and Adjustments
Front-Wheel Drive
Differential
Final Drives
Rear PTO
Front PTO
Steering and Brakes
Preliminary and Operational Checks
Test and Adjustments
Hydrostatic Steering System
Brakes
Rear-Wheel Brake
Park Brake
Air Brakes
Hydraulic Trailer Brake
Hydraulic System
Preliminary and Operational Checks
Test and Adjustments
Theory of Operation
Hydraulic System - Install Test Equipment
Operator's Cab
Operational Checks
Test and Adjustments
Heating and Ventilation
Air-Conditioning System
Special Tools
Special Tools (Dealer-Fabricated)
Special Tools (Available as Spare Parts)




