John Deere 5083EN 5093EN 5101EN Tractor Diagnostic Test Service Manual TM112619
Language: English
Format: PDF
Document: Diagnostic Test Service Manual
Machine: Tractor
Machine Model: 5083EN, 5093EN, 5101EN
Pages: 1619 Pages
Part Number: TM112619
Contents:
Foreword
General
Safety
General Specifications
General References
Diagnostic Trouble Codes
CCU Code Diagnostics
HCU Code Diagnostics
PTR Code Diagnostics
Observable Symptoms
Engines
Fuel and Air
Electrical
Control Units
PowrReverser™ Transmissions
Drive Systems
Steering and Brakes
Hydraulics
Operator Station
System Diagnosis
Starting, Charging and Cold Start
PowrReverser™ Transmission
Differential Lock
MFWD
Rear PTO
Steering
Rear Brakes
Rear SCV System Diagnosis
Mid-Mount Control Valve System Diagnosis
Rear Hitch System Diagnosis
Air Conditioning
Engines
General Information
Test and Adjustments
Engine System Theory of Operation
Fuel and Air
General Information
Fuel and Air Theory of Operation
Electrical System
Load Center Fuses and Relays
Test and Adjustments
Theory of Operation
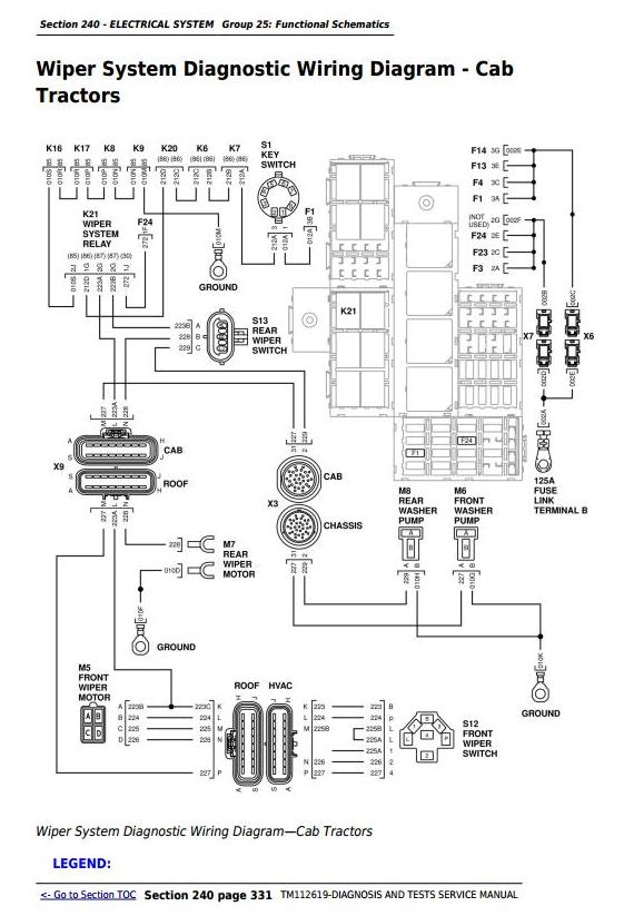
Functional Schematics
Connector Information
Control Units
General Information
Test and Adjustments
CCU
HCU
PTR
PowrReverser™ Transmission
General Information
Preliminary and Operational Checks
Test and Adjustments
Theory of Operation
Schematics and Diagrams
Drive Systems
General Information
Preliminary and Operational Checks
Test and Adjustments
Theory of Operation
Schematics and Diagrams
Steering and Brakes
General Information
Preliminary And Operational Checks
Test And Adjustments
Theory Of Operation
Hydraulics
General Information
Operational and Preliminary Checks
Test and Adjustments
Theory of Operation
Operator's Station
General information
Preliminary and Operational Checks
Test and Adjustments
Theory of Operation
Service Tools
Dealer Fabricated Tools
Service Tools and Kits




