John Deere 5085E 5095E 5100E Tractor Repair Technical Manual TM128319
Language: English
Format: PDF
Document: Repair Technical Manual
Machine: Tractor
Machine Model: 5085E, 5095E, 5100E
Pages: 1030 Pages
Part Number: TM128319
Contents:
Foreword
General Information
Safety
General Specifications
Fuel and Lubricants
Serial Number Locations
Engine
Engine
Cooling System
Fuel, Air Intake and Exhaust Systems
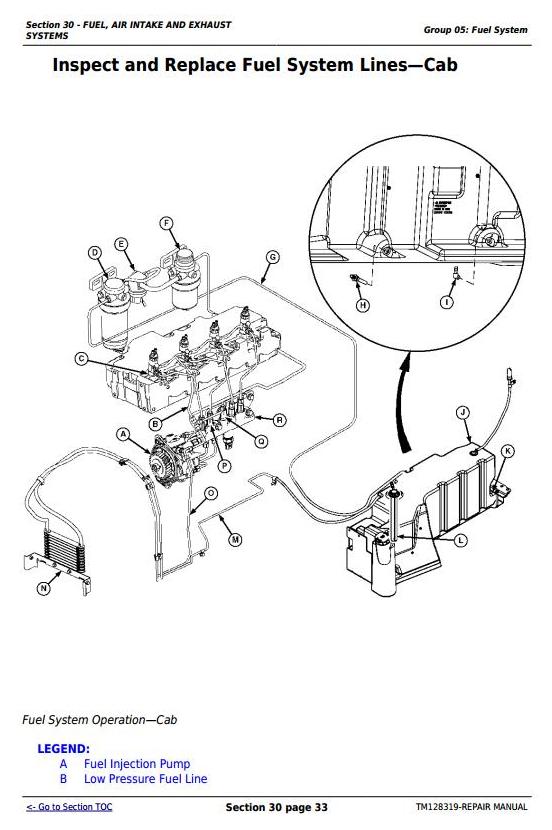
Fuel System
Air Intake System
Air Exhaust System
Electrical Repair
Battery, Starter and Alternator
Electrical System Components
Wiring Harnesses
Power Train Repair
Clutch Housing
Clutch Assembly
PowrReverser™ Transmission
Drive System
Differential
Final Drives
Rear PTO Drive Shaft
Mechanical Front Wheel Drive
Steering and Brake Repair
Steering Repair
Brake Repair
Hydraulic Repair
Hydraulic Pump and Filter
Hydraulic Oil Cooler
Rockshaft
Rear Selective Control Valve
Mid-Mount Selective Control Valve
Hydraulic Lines
Hydraulic Trailer Brake Valve
Miscellaneous Repair
3-Point Hitch
Fenders
Hood
Operator Station Repair-Cab and Open Operator Station
Seat and Support
Roll-Gard
Control Console and Panel
Cab Components
Air Conditioning System
Heating System
Special Tools
Dealer Fabricated Tools
Service Tools




