John Deere 5310N 5410N 5510N Europe Tractor Technical Manual TM4772
Language: English
Format: PDF
Document: Technical Manual
Machine: Tractor
Machine Model: 5510N, 5310N, 5410N Europe
Pages: 1007 Pages
Part Number: TM4772
Contents:
Foreword
Safety
Safety Measures
General Information
Specifications
Tune-Up
Engine - Repair
Removal and Installation of Engine Components
Fuel and Air Intake Systems - Repair
Speed Control Linkage
Fuel System
Air Intake System
Electrical System - Repair
Battery, Starting Motor and Alternator
Switches and Sending Units
Wiring Harnesses
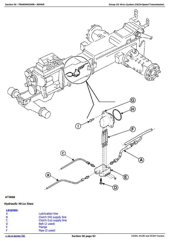
Transmission - Repair
Removal and Installation of Power Train Components
Clutch
Hi-Lo System (24/24-Speed Transmission)
Transmission
Drive Systems - Repair
Component Removal and Installation
Front Wheel Drive Clutch -Transmission
Differential
Final Drives
Power Take-Off
Steering and Brake Systems - Repair
Steering System
Brake System
Hydraulic System - Repair
Hydraulic Pump and Filter
Rockshaft
Three-Point Hitch
Selective Control Valves
Miscellaneous - Repair
Remove and Installation of Components
Front Axle
Front Wheel Drive
Front Wheel Bearings
Front and Rear Wheels
Fenders
Operator`s Station - Repair
Removing and Installing Operator`s Cab/Open Operator`s Station
Controls and Instruments
Air-Conditioning System
Heating System
Operator`s Cab
Open Operator`s Station
Operator`s Seat and Support
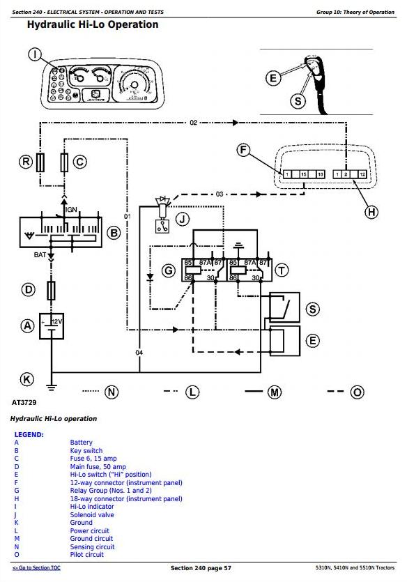
Electrical System - Operation and Test
Component Location
Theory of Operation
Diagnosis, Test and Adjustments
Wiring Diagrams - Narrow Tractor and SuperNarrow Version
Power Train - Operation and Test
Component Location
Theory of Operation
Diagnosis, Test and Adjustments
Steering and Brake Systems - Operation and Test
Component Location
Theory of Operation
Diagnosis, Test and Adjustments
Hydraulic System - Operation and Test
Component Location
Theory of Operation
Diagnosis
Test
Adjustments
Hydraulic System Schematics
Air-Conditioning System- Operation and Test
Component Location
Theory of Operation
Diagnosis, Test and Adjustments
Special Tools - Dealer-Manufactured
Dealer-Manufactured Tools




