John Deere 540G-III 548G-III Skidder Diagnostic Operation Test Manual TM11793
Language: English
Format: PDF
Document: Diagnostic Operation Test Manual
Machine: Skidder
Machine Model: 540G-III, 548G-III (SN. from 630436)
Pages: 906 Pages
Part Number: TM11793
Contents:
Foreword
General Information
Safety
Diagnostic Trouble Codes (DTC)
Engine Control Unit (ECU) Diagnostic Trouble Codes
Transmission Control Unit (TCU) Diagnostic Trouble Codes
Standard Display Monitor (SDM) Diagnostic Trouble Codes
Flex Load Controller (FLC) Diagnostic Trouble Codes
Sealed Switch Module (SSM) Diagnostic Trouble Codes
Bump Shift Controller (BSC) Diagnostic Trouble Codes
Operational Checkout
Operational Checks
Engine
Theory of Operation
Diagnostic Information
Adjustments
Test
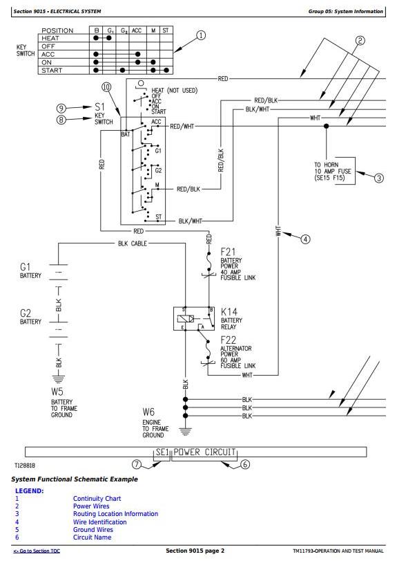
Electrical System
System Information
System Diagrams
Sub-System Diagnostics
Monitor Operation
References
Power Train
Theory of Operation
Diagnostic Information
Adjustments
Test
Hydraulic System
Theory of Operation
Diagnostic Information
Adjustments
Test
Winch
Theory of Operation
Diagnostic Information
Adjustments
Test
Heating and Air Conditioning
Theory of Operation
Diagnostic Information
Test




