John Deere 544K 4WD Loader Operation Test Manual TM12098
Language: English
Format: PDF
Document: Operation Test Manual
Machine: Loader
Machine Model: 544K (PIN: 1DW544KZ**D642665-670307) (SN.D642665-670307) w.Engine 6068HDW74 (T3)
Pages: 1474 Pages
Part Number: TM12098
Contents:
Foreword
Manual Identification-READ THIS FIRST!
General Information
Safety
Diagnostics
Engine Control Unit (ECU) Diagnostic Trouble Codes
Transmission Control Unit (TCU) Diagnostic Trouble Codes
Vehicle Control Unit (VCU) Diagnostic Trouble Codes
Sealed Switch Module (SSM) Diagnostic Trouble Codes
Advanced Display Unit (ADU) Diagnostic Trouble Codes
Radar Object Detection (ROD) Diagnostic Trouble Codes
Ground Speed Radar (RDR) Diagnostic Trouble Codes
Joystick Steering Valve (JSV) Diagnostic Trouble Codes
Joystick Steering Controller (JSC) Diagnostic Trouble Codes
Operational Checkout Procedure
Operational Checkout Procedure
Engine
Theory of Operation
Diagnostic Information
Test
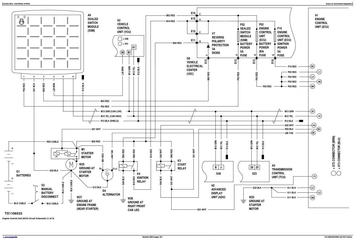
Electrical System
System Information
System Diagrams
Sub-System Diagnostics
Monitor Operation
References
Power Train
Theory of Operation
Diagnostic Information
Adjustments
Test
Hydraulic System
Theory of Operation
Diagnostic Information
Adjustments
Test
Heating and Air Conditioning
Theory of Operation
Diagnostic Information
Test




