John Deere 550LC Excavator Diagnostic Operation Test Manual TM1807
Language: English
Format: PDF
Document: Diagnostic Operation Test Manual
Machine: Excavator
Machine Model: 550LC
Pages: 806 Pages
Part Number: TM1807
Contents:
Foreword
Technical Information Feedback Form
General Information
Safety
General Specifications
Torque Values
Fuels and Lubricants
Predelivery Assembly Instructions
Operational Checkout Procedure
Operational Checkout Procedure
Engine
Theory of Operation
Diagnostic Information
Adjustments
Test
Electrical
System Information
System Diagrams
Sub-System Diagnostics
References
Power Train
Theory of Operation
Diagnostic Information
Adjustments
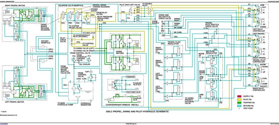
Hydraulic System
Theory of Operation
Diagnostic Information
Adjustments
Test
Air Conditioning System
Theory of Operation
Diagnostic Information
Adjustments
Test




