John Deere 572 582 592 Round Balers Technical Manual TM3294
Language: English
Format: PDF
Document: Technical Manual
Machine: Round Balers
Machine Model: 572, 582, 592 All Inclusive
Pages: 863 Pages
Part Number: TM3294
Contents:
General
Serial Numbers
Torques for Hardware
Lubrication
General Information
Electrical System
Connectors
Sensors and Switches
Actuators
ELS Monitor (Manual Twine Control)
ELC Plus Monitor (Electronic Tying Control)
BaleTrak and BaleTrak Plus Monitor
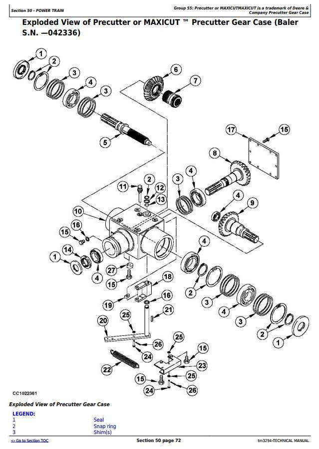
Power Train
Walterscheid Powerline
Walterscheid CV Joint
Baler Main Drive Shaft
Shear Bolt Clutch
Walterscheid Slip Clutch
Cam-Type Cut Out Clutch
Gear Case (Without Precutter Device)
Chain Tension
Sprocket Alignment
Braking System - Repair
Air Brakes
Hydraulic Brakes
Brake Shoe and Drum
Hydraulic System
Bale Density Control Valve (572 and 582 Balers)
Bale Density Control Valve (592 Baler)
Hydraulic Cylinders
Gate Locking Valve (592 Baler Only)
Hydraulic Components
Miscellaneous
Wheel and Hub Repair
Tongue Repair
Gate Latch
Bale Size Indicator
Bale Shape Indicators
Lubrication System - Repair
Drive Chain Lubrication
Pickup Repair
1.41 m (4 ft 7 in.) Pickup
1.81 m (5 ft 11 in.) Pickup
2.20 m (7 ft 3 in.) Pickup
Pickup Adjustments
Pickup Drive Components
Precutter
Adjustment
Repair
Bale Chamber
Identification of Rolls
Baler Rolls
Scraper of Roll
Belt Repair
Belt Guide for Net Tying Device
Tension Arm Repair
Top Idler Roll Declutchable Drive
Net Tying System
Twine Tying System
Diagnostic Trouble Codes for BaleTrak Control
Description
Battery Voltage
Bale Size Potentiometer R2
Right Bale Shape Potentiometer R4
Left Bale Shape Potentiometer R3
Twine Actuator M1
Net Actuator M2
Soft Core Y1
Pickup Valve Y4
Knife Valve Y3
Reverser Valve Y2
Lower Drive Roll RPM Sensor S6
Twine Pulley Sensors S7/S8
Net Switch S4
Right Gate Switch S1
Left Gate Switch S2
Oversize Bale Switch S3
Positive Analog Reference
EPROM
Electrical System
General Information
Test Equipment
Road Lights
Electrical Diagram / Battery Wiring Harness
Electrical System
Checking Twine Tying Function
Checking Soft Core Function
Checking Twine Tying Function
Checking Soft Core Function
Checking the Bale Oversize and Gate Function
ELC Plus Monitor
BaleTrak Control
Diagnostic Modes
Lubrication System Operation and Test
Air Brake System Operation and Test
Hydraulic Brake System Operation and Test
Hydraulic System - Operation and Test
Gate Control
Pickup Lift System (Baler without Precutter)
Precutter Hydraulic System
Net Tying - Operation and Test
Special Tools - Dealer-Fabricated




