John Deere 600CLC 800C Operation and Test Manual TM1922
Machine: Excavator
Machine Model: 600CLC 800C
Publication Date: 2014
Page: 598 Pages
Book Number: TM1922
The Bookmarks of John Deere 600CLC 800C Operation and Test Manual TM1922:
Foreword
Technical Information Feedback Form
General Information
Safety
Torque Values
Operational Checkout Procedure
Operational Checkout Procedure
Engine
Theory of Operation
Diagnostic Information
Adjustments
Tests
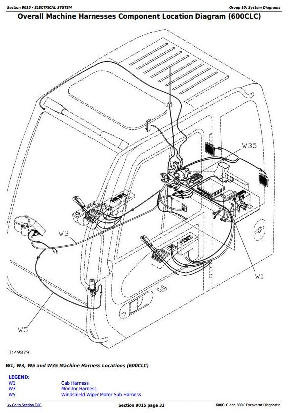
Electrical System
System Information
System Diagrams
Sub-System Diagnostics
References
Power Train
Theory of Operation
Diagnostic Information
Hydraulic System
Theory of Operation
Diagnostic Information
Tests
Air Conditioning System
Theory of Operation
Diagnostic Information
Tests







