John Deere 6010 6110 6210 6310 6410 6510 6610 6810 6910 Tractor Diagnosis Test Service Manual TM4552
Language: English
Format: PDF
Document: Diagnosis Test Service Manual
Machine: Tractor
Machine Model: 6010, 6010SE, 6110, 6110SE, 6210, 6310, 6310SE, 6410, 6410SE, 6510, 6510SE, 6610, 6610SE, 6810, 6910, 6910S
Pages: 5451 Pages
Part Number: TM4552
Contents:
Foreword
Safety
Safety
Service Code Diagnostics
BCU Service Code Diagnostics
BIF Service Code Diagnostics
ECU (Level 1 with LUCAS injection pump) Service Code Diagnostics
ECU (Level 4 with BOSCH VP44 injection pump) Service Code Diagnostics
HCU Service Code Diagnostics
PCU Service Code Diagnostics
PEC Service Code Diagnostics
PLC Service Code Diagnostics
RCU Service Code Diagnostics
SFA Service Code Diagnostics
TCU Service Code Diagnostics
UIC Service Code Diagnostics
Observable Symptoms
Electrical System
PowrQuad, PowrQuad Plus and AutoQuad Transmissions
Drive System (except transmission)
Steering and Brakes
Hydraulic System
Engine
Test
Fuel, Air Intake and Cooling Systems
System Diagnosis
Test and Adjustments
Fuel System
Air Intake System
Cooling System
Cold-Weather Starting Aids
Electrical System
General
Functional Schematics and Wiring Diagrams (6010-6910S)
Functional Schematics and Wiring Diagrams (SE Tractor)
Functional Schematics and Wiring Diagrams (2-Post ROPS)
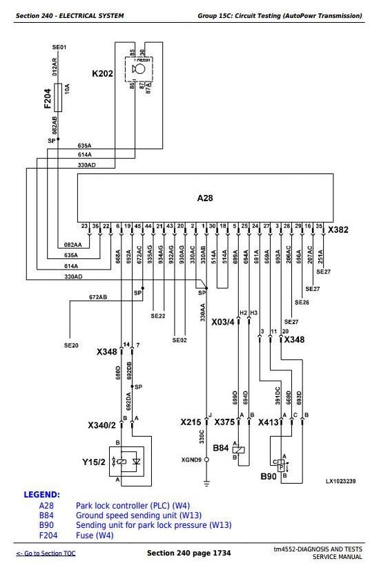
Functional Schematics and Wiring Diagrams (AutoPowr)
Circuit Testing (6010-6910S with Cab)
Sub-System Diagnostics (SE Tractor)
Sub-System Diagnostics (2-Post ROPS)
Circuit Testing (AutoPowr Transmission)
Data BUS Systems
Data BUS Systems –– Diagnosis
Adjustments
Component Testing
Electronic Control Units
Operation and General Information on Diagnostics
BCU References
BIF References
ECU (Level 1) References
HCU References
PCU References
PEC References
PLC References
RCU References
SFA References
TCU References
UIC References
SyncroPlus Transmission
Operational Checkout
Troubleshooting
Test and Adjustments
SyncroPlus Transmission Operation
Perma Clutch II
Gear Transmission
Creeper Transmission
Range Transmission
Power Reverser Transmission
Operational Checkout
Troubleshooting
Test and Adjustments
Power Reverser Operation
Power Reverser Module
Gear Transmission
Power Shift Transmission
Operational Checkout
Troubleshooting
Adjustments
Theory of Operation
AutoPowr Transmission
Diagnosis - UIC
Diagnosis - TCU
Diagnosis - PLC
Test and Adjustments
Operation
PowrQuad, PowrQuad Plus and AutoQuad II Transmissions
Operational Checkout
POWRQUAD™Transmission Check
Troubleshooting on PowrQuad Plus and AutoQuad II
Test and Adjustments
PowrQuad Transmission Operation
PowrQuad Plus and AutoQuad II Transmission Operation
Creeper Transmission
Range Transmission
Drive Systems
Operational Checkout
Troubleshooting
Test
Front-Wheel Drive Clutch
Differential
Final Drives
Rear PTO Options
Front PTO
Steering and Brakes
Operational Checkout
Troubleshooting
Test and Adjustments
Hydrostatic Steering
Hydraulic Brakes
Handbrake
Hydraulic Trailer Brake
Air Brake System
Hydraulic System
Operational Checkout
PFC Hydraulic System Troubleshooting
PC Hydraulic System Troubleshooting
Test and Adjustments
PFC Hydraulic System
Charge Oil Pump
Hydraulic Pumps
Valves, Oil Cooler and Filter
Rockshaft
Selective Control Valves and Couplers
Independent Control Valve (ICV)
PC Hydraulic System and Components
Miscellaneous
TLS Front Axle Operational Checkout
TLS Front Axle Troubleshooting
TLS Front Axle Test and Adjustments
TLS Front Axle Operation
Operators Cab
Operational Checkout
Air Conditioner Troubleshooting
Ventilation and Heater Troubleshooting
Operator's Seat Troubleshooting
Air Conditioner Operation
Ventilation and Heating Operation
Special Tools (Dealer-Fabricated)
Special Tools (Dealer-Fabricated)




