John Deere 605C Crawler Loader Operation Test Manual TM2353
Language: English
Format: PDF
Document: Operation Test Manual
Machine: Crawler Loader
Machine Model: 605C
Pages: 516 Pages
Part Number: TM2353
Contents:
Foreword
Technical Information Feedback Form
General Information
Safety
Diagnostic Trouble Codes (DTCs)
Engine Control Unit (ECU)
Transmission Control Unit (TCU)
Operational Checkout Procedure
System Operational Checks
Engine
Theory Of Operation
Diagnostic Information and Observed Symptoms
Test
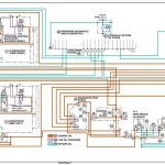
Electrical System
System Information
System Diagrams
Sub-System Diagnostics
References
Power Train
Theory of Operation
Diagnostic Information and Observed Symptoms
Pneumatic System
Theory of Operation
Diagnostic Information
Hydraulic System
Theory of Operation
Diagnostic Information and Observed Symptoms
Adjustments
Test
Hydrostatic System
Theory of Operation
Diagnostic Information and Observed Symptoms
Adjustments
Test
Heating and Air Conditioning
Theory of Operation
Diagnostic Information and Observed Symptoms
Test




