John Deere 605K Crawler Loader Diagnostic Operation Test Manual TM12821
Language: English
Format: PDF
Document: Diagnostic Operation Test Manual
Machine: Crawler Loader
Machine Model: 605K
Pages: 1089 Pages
Part Number: TM12821
Contents:
Foreword
Technical Information Feedback Form
General Information
Safety
Diagnostic Trouble Codes (DTCs)
Engine Control Unit (ECU) Diagnostic Trouble Codes
Standard Display Monitor (SDM) Diagnostic Trouble Codes
Sealed Switch Module (SSM) Diagnostic Trouble Codes
Vehicle Control Unit (VCU) Diagnostic Trouble Codes
Operational Checkout Procedure
Operational Checkout Procedure
Engine
Theory of Operation
Diagnostic Information
Adjustments
Test
Electrical System
System Information
System Diagrams
Sub-System Diagnostics
Monitor Operation
References
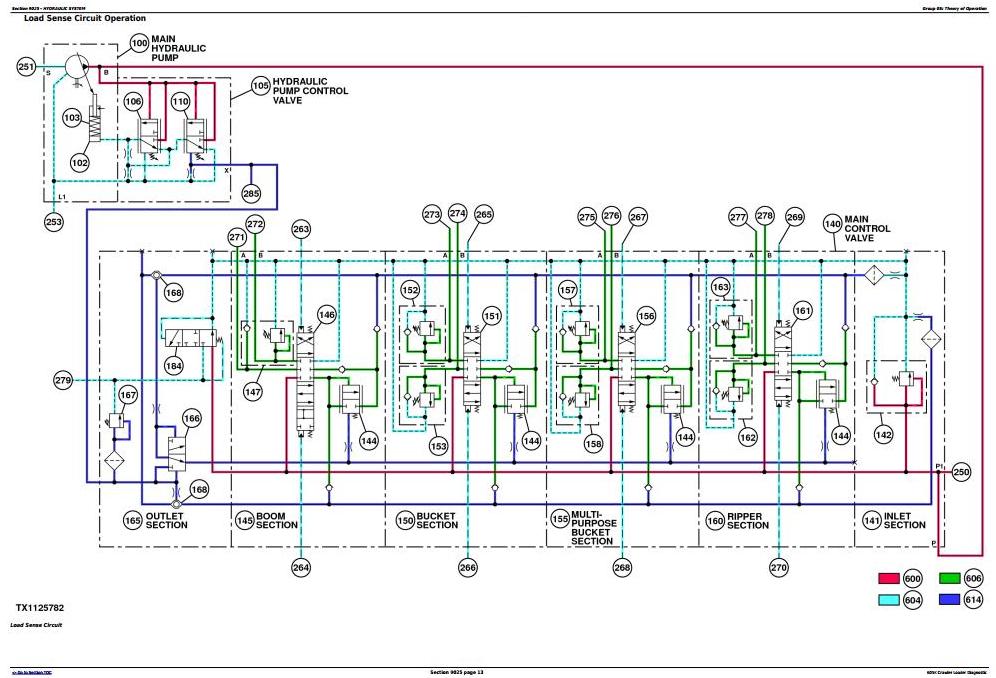
Hydraulic System
Theory of Operation
Diagnostic Information
Test
Hydrostatic System
Theory of Operation
Diagnostic Information
Test
Heating and Air Conditioning
Theory of Operation
Diagnostic Information
Test




