John Deere 6100 6200 6300 6400 6506 6600 SE6100 SE6200 SE6300 Tractor Service Repair Manual TM4493
Language: English
Format: PDF
Document: Service Repair Manual
Machine: TM4493
Machine Model: 6100, SE6100, 6200, SE6200, 6300, SE6300, 6400, SE6400, 6506, 6600
Pages: 1711 Pages
Part Number: TM4493
Contents:
Foreword
Safety
Safety Measures
General Information
Specifications
Tune-Up
Predelivery Inspection
Engine
Engine Removal and Installation
Fuel, Air Intake, Cooling and Exhaust Systems
Speed Control Linkage
Fuel System
Air Intake System
Cooling System
Cold Weather Starting Aids
Exhaust System
Electrical System
Connectors
Wiring Harnesses
Charging Circuit
Starting Motor Circuit
Switches, Relays and Solenoids
Monitoring System
Auxiliary Lighting and Electrical Components
Convenience and Accessory Components
SyncroPlus™ Transmission
Removal and Installation of Transmission Components
Summary of Important Specifications
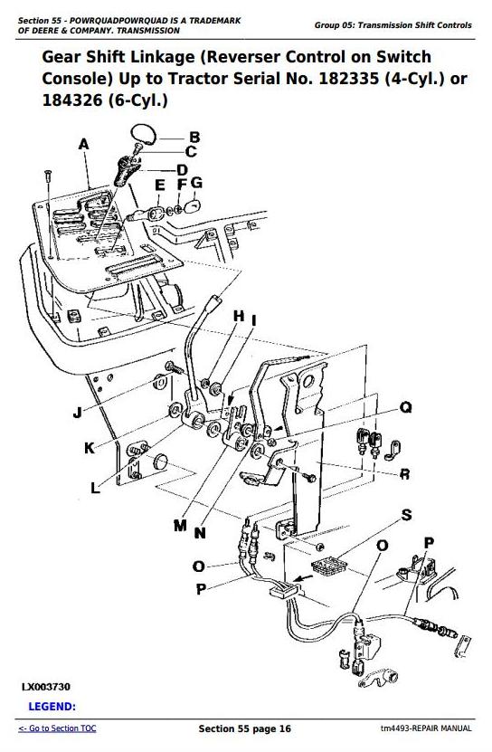
Transmission Shift Controls
PERMA-CLUTCH 2™
Gear Transmission
Creeper Transmission
Option Transmission
Range Transmission
PowrReverserPowrRever™
Removal and Installation of PowrReverser PowrRever™ Module
Transmission Shift Controls
PowrReverserPowrRever™ Module
Gear Transmission
PowrQuad™ Transmission
Removal and Installation of PowrQuad™ Module
Transmission Shift Controls
PowrQuad™ Module
Drive Systems
Component Removal and Installation
U-Jointed Shafts and Torsion Damper
Front Wheel Drive Clutch Up to Transmission Serial No. 114447
Front Wheel Drive Clutch, Transm. Serial No. 114448 to 161066
Front Wheel Drive Clutch from Transmission Serial No. 161067
Differential
Hydraulic Pump Drive
Final Drives
Rear PTO Options
Front PTO
Front Implement Drive
Steering and Brakes
Hydrostatic Steering
Steering Cylinders
Brake Valve
Rear Brakes
Handbrake
Hydraulic Trailer Brake
Air Brakes
Hydraulic System
Controls
Hydraulic Pump and Charge Pump
Hydraulic Pump on SE Tractor
Valves
Valves on SE Tractor
Rockshaft and Rockshaft Cylinder
Three-Point Hitch
Selective Control Valves and Couplers
Independent Control Valve
Miscellaneous
Component Removal and Installation
Main Frame
Front Axle
Front and Rear Wheels
Trailer Hitch
Pick-Up Hitch up to Tractor Serial No. 176448
Pick-Up Hitch From Tractor Serial No. 176449
Swinging Drawbar
Operator's Cab and 4-Post Roll Guard
Tilting, Removing and Installing the Operator's Cab
Tilting, Removing and Installing the Operator's Cab (SE Tractor)
Controls and Instruments
Electronic Hitch Control Components
Air-Conditioning System
Heating System (6100-6600)
Heating System (SE Tractor)
Operator's Cab
Seats
Radio
Special Tools (Dealer-Fabricated)
Special Tools (Dealer-Fabricated)




