John Deere 6105D 6115D 6130D 6140D Tractor Diagnostic Test Service Manual TM607319
Language: English
Format: PDF
Document: Diagnostic Test Service Manual
Machine: Tractor
Machine Model: 6115D, 6130D, 6140D, 6105D Interim Tier IV / Stage IIIB (SN 050001 - 100000)
Pages: 1666 Pages
Part Number: TM607319
Contents:
Foreword
General Information
Safety
General References
Technical Specific References
Diagnostic Trouble Codes
CCU Code Diagnostics
ECU Code Diagnostics
EIC Code Diagnostics
ICC Code Diagnostics
PTR Code Diagnostics
Observable Symptoms and System Diagnostics
General References
Engine Diagnostics
Fuel, Air Intake, Exhaust and Cooling Diagnostics
Electrical Diagnostics
Electronic Control Unit Diagnostics
Drive Systems and Transmission Diagnostics
Steering and Brakes Diagnostics
Hydraulic Diagnostics
Cab/Open Operator’s Station Diagnostics
Engine
General References
Engine Calibrations, Preliminary Checks and Operational Checks
Engine Theory of Operation
Engine Schematics
Engine Component and Connector Information
Engine Test and Adjustments
Fuel, Air Intake, Exhaust and Cooling
General References
Fuel, Air Intake, Exhaust and Cooling Calibrations, Preliminary Checks and Operational Checks
Fuel, Air Intake, Exhaust and Cooling Theory of Operation
Fuel, Air Intake, Exhaust and Cooling Schematics
Fuel, Air Intake, Exhaust and Cooling Component and Connector Information
Fuel, Air Intake, Exhaust and Cooling Test and Adjustments
Electrical General and Theory of Operation
General References
Theory of Operation
Electrical Schematics
General References
Key Switch, Starter and Alternator Schematic (SE1)
Neutral Start Schematic (SE2C)
Accessory Power Schematic (SE3)
Horn Schematic (SE4)
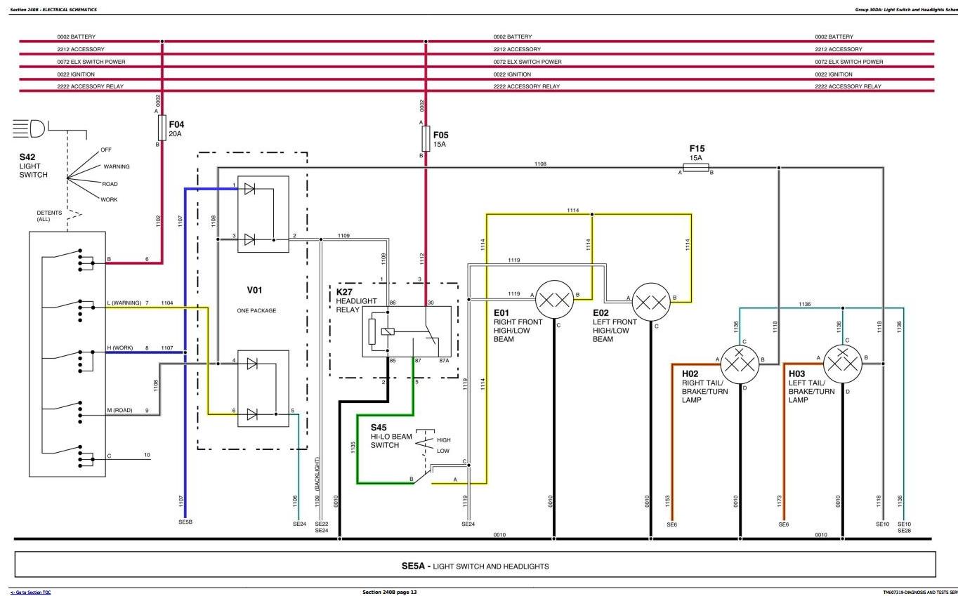
Light Switch and Headlights Schematic (SE5A)
Cab Work Lighting Schematic (SE5B)
OOS Work Lighting Schematic (SE5C)
Turn Signal Switch and Hazard Warning Lights Schematic (SE6)
Light Switch and Headlights Schematic (with License and Clearance Lights) (SE7A)
Cab Work Lighting Schematic (with License and Clearance Lights) (SE7B)
OOS Work Lighting Schematic (with License and Clearance Lights) (SE7B)
Turn Signal Switch and Hazard Warning Lights Schematic (with License and Clearance Lights) (SE8)
Power Source Schematic (SE9)
Trailer Connector Schematic (SE10)
Trailer Connector Schematic (with Implement Flood Light Connector) (SE11)
Back-Up Alarm Schematic (SE13A)
Beacon Light Schematic (SE13B)
Mid-Mount SCV Schematic (SE14)
Power Outlets Schematic (with Square Terminals) (SE15A)
Power Outlets Schematic (with Round Terminals) (SE15B)
Heater Schematic (SE16)
Air Conditioning Schematic (SE17)
Front Windshield Wiper and Washer Schematic (SE19)
Rear Windshield Wiper and Washer Schematic (SE21)
Dome Light, Door Switch and Radio Schematic (SE22)
Air Seat Schematic (SE23)
Instrument Cluster Control (ICC) Schematic (SE24)
Seat Switch and Rear PTO Switch Schematic (SE25)
ELX Relay and Fuses Schematic (SE26)
Mechanical Front-Wheel Drive (MFWD) Schematic (SE27)
Brake Switch Schematic (SE28)
Electrohydraulic Control Unit (EHC) Schematic (SE29)
Engine Control Unit (ECU) Schematic (4045 Engine) (SE30)
Controller Area Network Schematic (SE32)
Electrical Components and Connectors
General References
Key Switch, Starter and Alternator Components and Connectors (SE1)
Neutral Start Components and Connectors (SE2C)
Horn Components and Connectors (SE4)
Light Switch and Headlights Components and Connectors (SE5A)
Cab Work Lighting Components and Connectors (SE5B)
OOS Work Lighting Components and Connectors (SE5C)
Turn Signal Switch and Hazard Warning Lights Components and Connectors (SE6)
Light Switch and Headlights Components and Connectors (with License and Clearance Lights) (SE7A)
Cab Work Lighting Components and Connectors (with License and Clearance Lights) (SE7B)
Turn Signal Switch and Hazard Warning Lights Components and Connectors (with License and Clearance Lights) (SE8)
Power Source Components and Connectors (SE9)
Trailer Connector Components and Connectors (SE10)
Trailer Connector Components and Connectors (with Implement Flood Light Connector) (SE11)
Back-Up Alarm Components and Connectors (SE13A)
Beacon Light Components and Connectors (SE13B)
Mid-Mount SCV Components and Connectors (SE14)
Power Outlets Components and Connectors (with Square Terminals) (SE15A)
Power Outlets Components and Connectors (with Round Terminals) (SE15B)
Heater Components and Connectors (SE16)
Air Conditioning Components and Connectors (SE17)
Front Windshield Wiper and Washer Components and Connectors (SE19)
Rear Windshield Wiper and Washer Components and Connectors (SE21)
Dome Light, Door Switch and Radio Components and Connectors (SE22)
Air Seat Components and Connectors (SE23)
Instrument Cluster Control (ICC) Components and Connectors (SE24)
Seat Switch and Rear PTO Switch Components and Connectors (SE25)
Mechanical Front-Wheel Drive (MFWD) Components and Connectors (SE27)
Brake Switch Components and Connectors (SE28)
Electrohydraulic Control Unit (EHC) Components and Connectors (SE29)
Engine Control Unit (ECU) Components and Connectors (4045 Engine) (SE30)
Controller Area Network Components and Connectors (SE32)
Fuses and Relays
Ground Points
Interconnects
Wiring Harnesses
Electrical Test and Adjustments
General References
Test and Adjustments
Electronic Control Units
General References
Electronic Control Unit Calibrations, Preliminary Checks and Operational Checks
Electronic Control Unit Theory of Operation
Electronic Control Unit Schematics
Electronic Control Unit Component and Connector Information
Electronic Control Unit Test and Adjustments
Chassis Control Unit (CCU)
Engine Control Unit (ECU)
Engine Interface Control Unit (EIC)
Instrument Cluster Control Unit (ICC)
Power Train Reverser (PTR)
Drive Systems and Transmissions
General References
Drive Systems and Transmission Calibrations, Preliminary Checks and Operational Checks
Drive Systems and Transmission Theory of Operation
Drive Systems and Transmission Schematics
Drive Systems and Transmission Component Information
Drive Systems and Transmission Test and Adjustments
Steering and Brakes
General References
Brake Calibrations, Preliminary Checks and Operational Checks
Steering Calibrations, Preliminary Checks and Operational Checks
Brakes Theory of Operation
Steering Theory of Operation
Brake Schematics
Steering Schematics
Brake Component and Connector Information
Steering Component and Connector Information
Brake Test and Adjustments
Steering Test and Adjustments
Hydraulics
General References
Hydraulic Calibrations, Preliminary Checks and Operational Checks
Hydraulic Theory of Operation
Mechanical Hitch Theory of Operation
Mid-Mount SCV Theory of Operation
Rear SCV Theory of Operation
Hydraulic Trailer Brake Theory of Operation
Hydraulic Schematics
Hydraulic Component and Connector Information
Hydraulic Test and Adjustments
Cab/Open Operator’s Station
General References
Calibrations, Preliminary Checks and Operational Checks
Theory of Operation
Schematics
Component and Connector Information
Test and Adjustments
Special Tools
General References
Dealer Fabricated and Service Tools




