John Deere 6110M to 6145M Tractor Repair Manual TM408519
Language: English
Format: PDF
Document: Repair Manual
Machine: Tractor
Machine Model: 6120M, 6135M, 6145M, 6110M, 6130M
Pages: 1482 Pages
Part Number: TM408519
Contents:
Foreword
Safety
Safety Measures
General
General Information - Specifications
General Information - Test and Adjustments
General Information - Predelivery Inspection
Engine
Engine – Removal and Installation of Components
Engine Exhaust Cleaning System
Fuel, Air-Intake, Cooling, and Exhaust System
Fuel System
Cooling System
Exhaust System
Electrical System
Electrical System - Connectors
Electrical System - Charging Circuit
Electrical System - Starter Circuit
Electrical System - Headlights
Electronic Control Units
Removal and Installation of Control Units
Terminating Resistors, Removal and Installation
Drive Train (without Transmission)
Drive Train (without Transmission) - Removal and Installationof Components
Drive Train (without Transmission) - U.J. Shafts and TorsionDampers
Drive Train (without Transmission) - Mechanical Front-WheelDrive
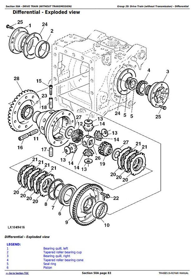
Drive Train (without Transmission) - Differential
Drive Train (without Transmission) - Hydraulic Pump Drive
Drive Train (without Transmission) - Final Drives
Drive Train (without Transmission) - Rear PTO Options
Drive Train (without Transmission) - Front PTO
Drive Train (without Transmission) - Front Implement Drive
PowrQuad™ Transmission
PowrQuad™ Transmission - Removal and Installation of Components
PowrQuad™ Transmission - Transmission Shift Control
PowrQuad™ Transmission - PowrQuad Module
PowrQuad™ Transmission - Creeper Transmission
PowrQuad™ Transmission - Option Transmission
PowrQuad™ Transmission - Range Transmission 6100M-6135M
PowrQuad™ Transmission - Range Transmission 6145M
Steering
Steering - Hydrostatic Steering
Steering - AutoTrac™
Brakes
Brakes - Brake Valve
Brakes - Rear Brakes
Brakes - Hydraulic Trailer Brake
Brakes - Air Brake System
Brakes - Park Brake
Hydraulic System
Hydraulic System - General Information
Operator Controls
Hydraulic System - Oil Filter, Additional Oil Reservoir, ChargePump, and Hydraulic Pump
Hydraulic System - Priority 1 to 3 Control Blocks
Hydraulic System - Rear Hitch
Hydraulic System - Selective Control Valves (SCVs) and Couplers
Machine-Specific Systems
Machine-Specific Systems - Removal and Installation of Components
Machine-Specific Systems - Main Frame
Machine-Specific Systems - Fenders, Front Wheels, and Rear Wheels
Machine-Specific Systems – Trailer Hitch and Swinging Drawbar
Machine-Specific Systems - Hydraul. Wagon Hitch
Suspension Systems
Suspension Systems - Suspended Front-Wheel Drive Axle
Suspension Systems - Mechanical Cab Suspension
Operator`s Cab
Removal and Installation of Components
Operator`s Cab - Operation and Control Devices
Operator`s Cab - Air-Conditioning System
Operator`s Cab - Seats
Operator`s Cab - Operator`s Cab
Special Tools
General Information




