John Deere 6110M to 6195M Tractor Diagnosis Technical Manual TM408419
Size: 124 MB
Language: English
Format: PDF
Document: Diagnosis Technical Manual
Machine: Tractor
Machine Model: 6120M, 6135M, 6145M, 6110M, 6155M, 6175M, 6195M, 6130M, 6140M, 6125M
Pages: 5518 Pages
Part Number: TM408419
Contents:
Foreword
General
Safety Measures
General References
Diagnostic Trouble Codes
AIC Control Software
BLC Control Software
CCU Control Software
CRU Control Software
Control software DOI
ECU Control Software (Final Tier 4)
EIC Control Software
FCC Control Software
HCC Control Software
ICA Control Software
JDL Control Software
OIC Control Software
PDU Control Software
PTF Control Software
PTQ Control Software
PTR Control Software
RPT Control Software
SCO Control Software
SFA Control Software
SMB Control Software
TEC Control Software
TEI Control Software
TIH Control Software
TIQ Control Software
VTV Control Software
XMC Control Software
XSC Control Software
Observable Symptoms and System Diagnostics
Engine
Fuel, Air Intake, and Cooling Systems
Electrical System
Electronic Control Units
Drive Train (without Transmission)
PowrReverser™ Transmission
PowrQuad™ Transmission
Steering
Brakes
Hydraulic System
Suspension Systems
Operator`s Cab
Engine
Exhaust Aftertreatment System, Theory of Operation
Test and Adjustments
Fuel, Air Intake and Cooling Systems
General Information
Fuel System, Theory of Operation
Air Intake System, Theory of Operation
Cooling System, Theory of Operation
Cold-Weather Starting System, Theory of Operation
Fuel, Air Intake, and Cooling Systems - Test and Adjustments
Fuel, Air Intake, and Cooling Systems - Component Information
Fuel System, Component Information
Cooling System, Component Information
Charge Air Circuit, Component Information
Cold Start System, Component Information
Electrical System
Electrical System - General Information
Electrical System - Theory of Operation
30A - Electrical System - Schematics
50AA - Starter Motor and Charging Circuit
50AC - External Cold Start Aid
50BA - Lights
50BB - Worklights
50BC - Dome Light and Access Step Light
50BD - Turn-Signal Lights
50CA - Operator`s Seat
50CB - Acoustic Alarms
50CC - Windshield and Rear Window Wipers
50CD - Heater/Ventilation/Air-Conditioning System
50CE - Sockets
50CF - Radio
50CH - Accessories
50EA - TEC Control Software and Implement CAN Bus
50EB - AutoTrac™
50EC - Radar
50ED - JDLink™ Service ADVISOR™ Remote
50FA - Electronic Engine Control
50FB - Immobilizer
50FC - Fuel System
50GA - PowrQuad™ Transmission
50GD - CommandQuad™ Transmission
50GE - PowrReverser™ Transmission
50GH - Differential Lock
50GI - Front-Wheel Drive
50GJ - Rear PTO
50GK - Front PTO
50GL - Brakes
50HA - Rear Hitch
50HB - E-SCV Selective Control Valves
50HD - Suspended Front-Wheel Drive Axle
50HH - Front Loader
50IA - Display
50ID - LIN Bus Modules
50JA - Bus Systems
50X - Ground Connections
50ZZ - Electronic Control Units
Electronic Control Units
Electronic Control Units - General Information
Electronic Control Units - Interactive Test and Calibrations
Electronic Control Units - Information on Programming
Electronic Control Units - Theory of Operation
Immobilizer Control Unit
AIC Control Software
BLC Control Software
CCU Control Software
DOI Control Software
ECU Control Software (Final Tier 4)
EIC Control Software
FCC Control Software
GM1 Control Software
GM2 Control Software
HCC Control Software
ICA Control Software
JDL Control Software
OIC Control Software
PDU Control Software
PTF Control Software
PTQ Control Software
PTR Control Software
RPT Control Software
SCO Control Software
SFA Control Software
SMB Control Software
TEC Control Software
TEI Control Software
TIH Control Software
TIQ Control Software
VTV Control Software
XMC Control Software
XSC Control Software
Electrical Connectors, Wiring Harnesses, and Components
Electrical Connectors, Wiring Harnesses, and Components - GeneralInformation
Summary of Electrical Components and Harnesses
Electrical Components - Assemblies
Electrical Components - Sensors
Electrical Components - Various Devices and Equipment
Electrical Components - Fuses, Relays, and Diodes
Electrical Components - Power Supply and Alternator
Electrical Components - Control and Signal Devices
Electrical Components - Electrical Motors
Electrical Components - Resistors
Electrical Components - Switches
Wiring Harnesses
Connector
Ground Points
Electrical Components - Solenoid Valves and Solenoids
Electrical Components - Other
Drive Train (without Transmission)
Drive Train (without Transmission) - Operational Checks
Drive Train (without Transmission) - Theory of Operation
Drive Train (without Transmission) - Test and Adjustments
PowrQuad™ Transmission
PowrQuad™ Transmission - General Information
PowrQuad™ Transmission - Operational Checks
PowrQuad™ Transmission - Theory of Operation
PowrQuad™ Transmission - Schematics
PowrQuad™ Transmission - Test and Adjustments
Drive Train - Component Information
Drive Train (without Transmission) - Component Information
PowrQuad™ Transmission - Component Information
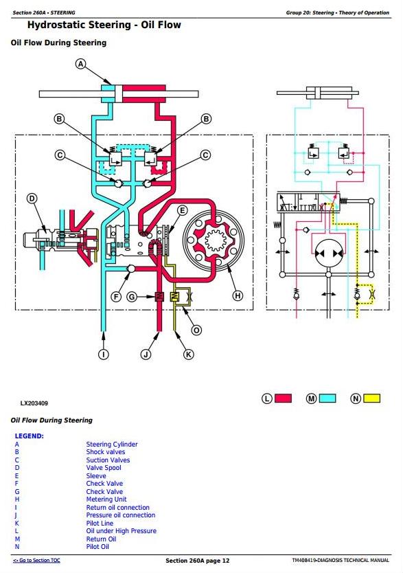
Steering
Steering - General Information
Steering - Operational Checks
Steering - Theory of Operation
Steering - Schematics
Steering - Test and Adjustments
Brakes
Brakes - General Information
Brakes - Operational Checks
Brakes - Theory of Operation
Brakes - Schematics
Brakes - Test and Adjustments
Steering and Brakes - Component Information
Steering - Component Information
Brakes - Component Information
Hydraulic System
Hydraulic System - General Information
Hydraulic System - Operational Checks
Hydraulic System - Theory of Operation
Oil Filter, Additional Oil Reservoir, Charge Pump and HydraulicPump - Theory of Operation
Rear Hitch - Theory of Operation
Front Hitch - Theory of Operation
Selective Control Valves (SCVs) - Theory of Operation
Independent Control Valves (ICVs) - Theory of Operation
Hydraulic System - Schematics
Hydraulic System - Test and Adjustments
Hydraulic System - Component Information
Hydraulic System - Component Information
Machine-Specific Systems
Machine-Specific Systems - Operational Checks
Machine-Specific Systems - Test and Adjustments
Suspension Systems
Suspension Systems - Operational Checks
Suspended Front-Wheel Drive Axle - Theory of Operation
Mechanical Cab Suspension - Theory of Operation
Suspended Front-Wheel Drive Axle - Schematics
Suspended Front-Wheel Drive Axle - Test and Adjustments
Mechanical Cab Suspension - Test and Adjustments
Suspension Systems - Component Information
Suspended Front-Wheel Drive Axle - Component Information
Mechanical Cab Suspension - Component Information
Operator`s Cab
Operator`s Cab - Operational Checks
Operator`s Cab - Theory of Operation
Operator`s Cab - Test and Adjustments
Operator`s Cab - Component Information
Air Conditioning System - Component Information
Special Tools
General Information




