John Deere 6120 6220 6320 6420 6120L 6220L 6320L 6420L 6520L Tractor Diagnosis Test Service Manual TM4646
Language: English
Format: PDF
Document: Diagnosis Test Service Manual
Machine: Tractor
Machine Model: 6120, 6220, 6320, 6420, 6120L, 6220L, 6320L, 6420L, 6520L
Pages: 4872 Pages
Part Number: TM4646
Contents:
Foreword
Version date
GENERAL INFORMATION
Safety Measures
General References
ENGINE
Operational Check-Out
Test and Adjustments
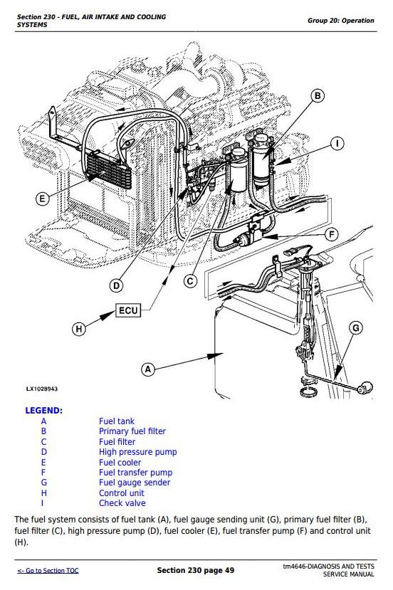
FUEL AIR INTAKE AND COOLING SYSTEMS
Test and Adjustments
Operation
ELECTRICAL SYSTEM
Sub-System Diagnostics (Cab)
Sub-System Diagnostics (Open Operator's Station)
Component Test
Functional Schematics (AutoPowr/IVT Transmission)
Functional Schematics (PowrQuad Plus AutoQuad and AutoQuad Plus Transmissions)
Functional Schematics (Open Operator's Station)
Summary of Wiring Harnesses
Wiring Harnesses
Wiring Harnesses (Continued)
Wiring Harnesses from Serial Number 398656
Wiring Harnesses from Serial Number 398656 (Continued)
ELECTRONIC CONTROL UNITS
Operation and General Information on Diagnostics
Data BUS Systems Theory of Operation
ATC - Automatic Temperature Control Unit
BCU - Basic Control Unit
BIF - Basic Informator
ECU - Engine Control Unit
EPC - Control Unit for PowrQuad Plus AutoQuad and AutoQuad Plus Transmissions
JDL Control Unit for JDLink
PLC - Park Lock Controller
PRF - Performance Monitor
SFA - Control Unit for Front-Wheel Drive Axle and Cab Suspension
SIC - Control Unit for Electrically Actuated Selective Control Valves
SSU - Control Unit for AutoTrac
TCU - Control Unit for AutoPowr/IVT Transmission
TEC - Control Unit for Tractor Equipment Interface
UIC - User Interface Controller
UIM - User Interface Module Keyboard for ISOBUS Display
SYNCROPLUS TRANSMISSION
Introductory Checks
Operational Check-Out
Test and Adjustments
Operation
POWER REVERSER TRANSMISSION
Operational Check-Out
Test and Adjustments
Operation
AUTOPOWR/IVT TRANSMISSION
Operational Check-Out
Test and Adjustments
Operation
POWRQUAD POWRQUAD PLUS AUTOQUAD AND AUTOQUAD PLUS TRANSMISSIONS
Operational Check-Out
Test and Adjustments
Operation
DRIVE SYSTEMS
Operational Check-Out
Test and Adjustments
Operation
STEERING AND BRAKES
Introductory Checks
Operational Check-Out
Test and Adjustments
Operation
HYDRAULIC SYSTEM
Operational Check-Out
Test and Adjustments
Operation
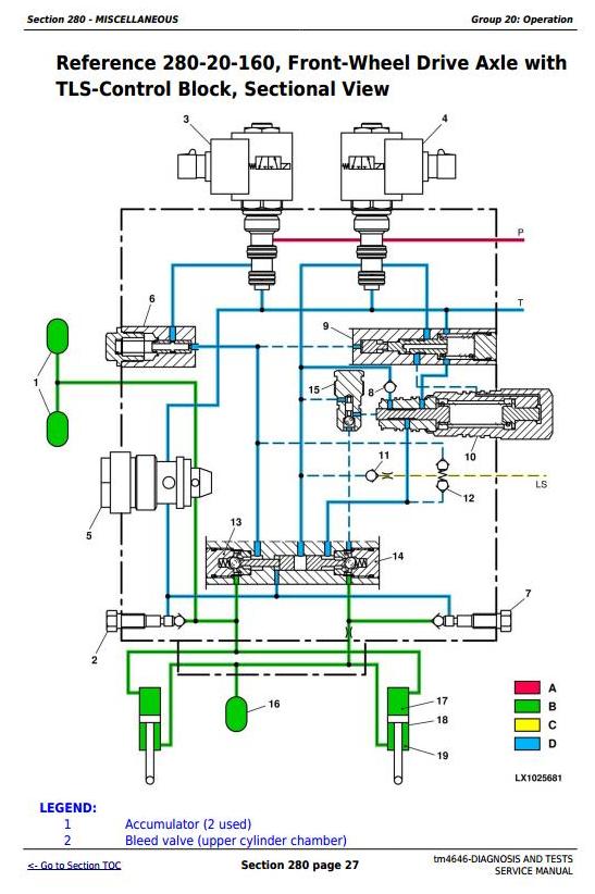
MISCELLANEOUS
Operational Check-Out
Test and Adjustments
Operation
OPERATOR'S CAB
Operational Check-Out
Test and Adjustments
Operation
SPECIAL TOOLS
Special Tools (Dealer-Fabricated)
Special Tools and Test Equipment




