John Deere 6145J 6165J 6180J 6205J Tractor Diagnostic Test Service Manual TM801419
Language: English
Format: PDF
Document: Diagnostic Test Service Manual
Machine: Tractor
Machine Model: 6145J, 6165J, 6180J, 6205J
Pages: 1741 Pages
Part Number: TM801419
Contents:
Foreword
General Information
Safety Information
General References
Diagnostic Trouble Codes
BCU - Basic Control Unit - Without AutoTrac™ Integrated
BCU - Basic Control Unit - With AutoTrac™ Integrated
TEC - Tractor Equipment Control Unit
TEI - Tractor Equipment Control Unit
XMC - AutoTrac™ Main Control Unit
XSC - AutoTrac™ Supervisor Control Unit
ECU - Engine Control Unit
Observable Symptoms
Electrical System
Electronic Control Units
PowrQuad Transmissions
Drive Systems
Steering and Brakes
Hydraulic System
Operator's Cab
System Diagnosis
Electronics
Engine
Operational Checks
Test and Adjustments
Fuel, Air Intake and Cooling Systems
Test and Adjustments
Fuel System
Air Intake System
Cooling System
Electrical System - Cab Tractor - 6145J, 6165J and 6180J
Fuse Box - Without AutoTrac™ Integrated
Fuse Box - With AutoTrac™ Integrated
Starting and Charging Circuit
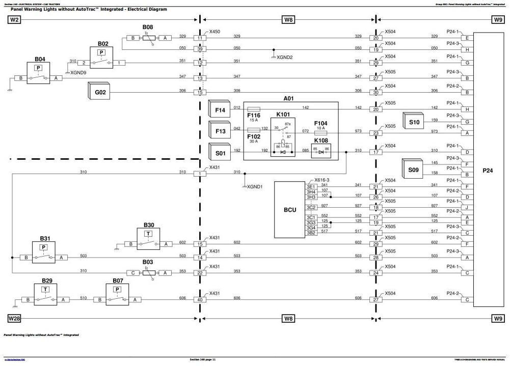
Panel Warning Lights without AutoTrac™ Integrated
Panel Warning Lights with AutoTrac™ Integrated
Lights, Tail Lights and License Plate
Work Lights
Radio, Dome Light, Console Light and Beacon Light
Horn and Accessories Socket
Power Outlet without AutoTrac™ Universal
Power Outlet with AutoTrac™ Universal
Fan and A/C
Reverse Light and Backup Alarm
Front Windshield Wiper and Washer
Rear Windshield Wiper and Washer
Trailer Connector
BCU - Turn Signal and Hazard Warning Lights
BCU - Electronic Hitch-Control
BCU - Brakes
BCU - PTO
BCU - Engine Speed Sensor
BCU - Front-Wheel Drive
BCU - Differential Lock
BCU - Ground Speed Sender
BCU - Transmission Enable Switches
BCU - Service Connector - Without AutoTrac™ Integrated
BCU - Seat Switch
BCU - AutoTrac™ Integrated Resume Switch
GreenStar™ without AutoTrac™ Integrated
GreenStar™ with AutoTrac™ Integrated
XMC and XSC - AutoTrac™ Integrated Steering Control Unit
TECU - AutoTrac™ Integrated Tractor Equipment Control Unit
AutoTrac™ Integrated Vehicle CAN Bus
Component Test
Wiring Harnesses
Connectors
Electrical System - Cab Tractor - 6205J without AutoTrac™ Integrated
Fuse Box
Starting and Charging Circuit
Vehicle CAN Bus and Service Connector
ECU - Power
ECU - Throttle and Fuel System
ECU - Fuel Preheater and Aid Heater
ECU - Sensors
BCU - Electronic Hitch-Control
BCU - Brakes
BCU - PTO
BCU - Front-Wheel Drive
BCU - Differential Lock
BCU - Turn Signal and Hazard Warning Lights
Panel Warning Lights
Lights and Tail Lights
Work Lights
Radio, Dome Light and Console Light
Horn and Accessories Socket
Power Outlet - without AutoTrac™
Power Outlet - with AutoTrac™ Universal
Seat Compressor
Fan and Air Conditioning
Front Windshield Wiper and Washer
Rear Windshield Wiper and Washer - Theory of Operation
Trailer Connector
Backup Alarm
GreenStar™ Components
Wiring Harnesses
Connectors
Electrical System - Cab Tractor - 6205J with AutoTrac™ Integrated
Fuse Box
Starting and Charging Circuit
Vehicle CAN Bus and Service Connector
ECU - Power
ECU - Throttle and Fuel System
ECU - Fuel Preheater and Aid Heater
ECU - Sensors
BCU - Electronic Hitch-Control
BCU - Brakes
BCU - PTO
BCU - Front-Wheel Drive
BCU - Differential Lock
BCU - Wheel Speed Sensor
BCU - Turn Signal and Hazard Warning Lights
Panel Warning Lights
Lights and Tail Lights
Work Lights
Radio, Dome Light and Console Light
Horn and Accessories Socket
Power Outlet
Seat Compressor
Fan and Air Conditioning
Front Windshield Wiper and Washer
Rear Windshield Wiper and Washer - Theory of Operation
Trailer Connector
Backup Alarm
BCU - Transmission Enable Switches
BCU - Seat Switch
BCU - AutoTrac™ Integrated Resume Switch
GreenStar™ Components
XMC and XSC - AutoTrac™ Integrated Steering Control Unit
TECU - AutoTrac™ Integrated Tractor Equipment Control Unit
Wiring Harnesses
Connectors
Electrical System - Open Operator's Station
Fuse Box
Starting and Charging Circuit
Panel Warning Lights
Lights and Tail Lights
Work Lights
Horn
Reverse Light and Backup Alarm
Trailer Connector
BCU - Turn Signal and Hazard Warning Lights
BCU - Electronic Hitch-Control
BCU - Brakes
BCU - Service Connector
BCU - PTO
BCU - Engine Speed Sensor
BCU - Front-Wheel Drive
BCU - Differential Lock
Component Test
Wiring Harnesses
Connectors
Electronic Control Units
Operation and General Information on Diagnostics
Information on How to Reprogram Control Units
Data BUS Systems, Operation
Steering Control Units Test
BCU - Basic Control Unit - Without AutoTrac™ Integrated
BCU - Basic Control Unit - With AutoTrac™ Integrated
TEC - Tractor Equipment Control Unit
TEI - Tractor Equipment Control Unit
XMC - AutoTrac™ Main Control Unit
XSC - AutoTrac™ Supervisor Control Unit
ECU - Engine Control Unit
PowrQuad™ Transmissions
Operational Check
Test and Adjustments
Operation
Range Box
Drive Systems
Operational Check
Test and Adjustments
Operation
Steering and Brakes
Preliminary Checks
Operational Check
Test and Adjustments
Hydrostatic Steering
Brakes
Air brake system
Hydraulic System - 6145J
Operational Check
Test and Adjustments
Operation
Hydraulic System - 6165J, 6180J and 6205J
Operational Check
Test and Adjustments
Theory of operation
Oil Filter, Charge Pump and Hydraulic Pump
Hitch
Selective control valves (SCV)
Hydraulic block
Operator's Cab
Test and Adjustments
Operation
Special Tools (Dealer-Fabricated)
Special Tools (Dealer-Fabricated)




