John Deere 624K 4WD Loader Diagnostic Operation Test Manual TM13210X19
Language: English
Format: PDF
Document: Diagnostic Operation Test Manual
Machine: Loader
Machine Model: 624K (PIN: 1BZ624K***C000001-001000; 1BZ624K***D000001-001000)
Pages: 1295 Pages
Part Number: TM13210X19
Contents:
Foreword
Manual Identification-READ THIS FIRST!
General Information
Safety
Diagnostics
Engine Control Unit (ECU) Diagnostic Trouble Codes
Transmission Control Unit (TCU) Diagnostic Trouble Codes
Vehicle Control Unit (VCU) Diagnostic Trouble Codes
Sealed Switch Module (SSM) Diagnostic Trouble Codes
Advanced Display Unit (ADU) Diagnostic Trouble Codes
Radar Object Detection (ROD) Diagnostic Trouble Codes
Operational Checkout Procedure
Operational Checkout Procedure
Engine
Theory of Operation
Diagnostic Information
Test
Electrical System
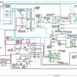
System Information
System Diagrams
Sub-System Diagnostics
Monitor Operation
References
Power Train




