John Deere 6405 6605 Tractor Technical Manual TM4866
Language: English
Format: PDF
Document: Technical Manual
Machine: Tractor
Machine Model: 6405, 6605 (Brasil)
Pages: 644 Pages
Part Number: TM4866
Contents:
SECTION 05-Safety
Group 00-Norms of Safety
SECTION 50-SyncroPlus Transmission
Group 00-Separating and Installing Transmission Components
Group 05-Transmission Activation
Group 10-Clutch, Oil Pump and Valves
Group 15-Transmission box
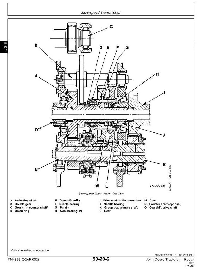
Group 20-Slow-speed Transmission
Group 30A-Group Box - Series 10
Group 30B-Group Box - Series 20
SECTION 55-PowrQuad Transmission
Group 00-Separating and Installing the PowrQuad Module
Group 10-PowrQuad Box
SECTION 56-Power Transmission
Group 00-Separating and Installing Components
Group 05-Transmission Shaft and Torsion Damper
Group 05-MFWD clutch from series 161067
Group 16-Differential
Group 20-Hydraulic Pump Transmission
Group 25-Final reductions
Group 30-Power Take-Off
SECTION 60-Steering and Brakes
Group 05-Hydrostatic Steering
Group 15-Brake Valve
Group 20-Brakes
SECTION 70-Hydraulic system
Group 05-RCV Controls
Group 10-Hydraulic Pump and Charge Pump
Group 11-Gear pump - (Eaton)
Group 13-Gear Pump - (Albarus)
Group 15-Hydraulic Control Valves
Group 20-Hydraulic Lift and Lift Cylinder
Group 22-Traction/Sensitivity Sensor
Group 25-Remote Control Connections and Valves
SECTION 80-Front axle
Group 00-Special Tools
Group 05-Technical Data and Adjustment Values
Group 10-Disassembly
Group 15-Assembling the differential
Group 20-Pinion depth
Group 25-Adjusting the play between the teeth
Group 30-Assembling the Bridges
Group 35-Assembling the Universal Joint
Group 40-PTO
Group 45-Assembling the Hydraulic Cylinder
Group 50-Convergence Regulation
Group 55-Separating and Installing the Front Shaft/Components
Group 60-Front Axle Support
Group 65-Front Axle 4x2
Group 66-Steering Cylinder - 4x2 shaft
Group 70-Front and Rear Wheels
Group 75-Main Chassis
Group 80-Traction bar
SECTION 90-Operator Platform and Cab
Group 00-Removing and Installing the Operator Platform
Group 15-Air-conditioning System
Group 20-Heating System
Group 25-Cab
Group 30-Various
SECTION 99-Special Tools Made By the Dealer
Group 05-Custom-made Tools




