John Deere 640L 648L 748L Skidder Diagnostic Operation Test Manual TM13133X19
Language: English
Format: PDF
Document: Diagnostic Operation Test Manual
Machine: Skidder
Machine Model : 640L, 648L, 748L (SN. F666893—690813)
Pages: 1307 Pages
Part Number: TM13133X19
Contents:
Foreword
Manual Identification-READ THIS FIRST!
General Information
Safety
Diagnostics
Engine Control Unit (ECU) Diagnostic Trouble Codes
Hydraulic Valve Controller (HVC) Diagnostic Trouble Codes
Left Joystick Controller (JSL) Diagnostic Trouble Codes
Right Joystick Controller (JSR) Diagnostic Trouble Codes
Operator Interface Controller (OIC) Diagnostic Trouble Codes
Switch Module 1 (SM1) Diagnostic Trouble Codes
Transmission Control Unit (TCU) Diagnostic Trouble Codes
Cab Control Unit (CAB) Diagnostic Trouble Codes
Propulsion and Steering Controller (PSC) Diagnostic Trouble Codes
Reel Motor Controller (RMC) Diagnostic Trouble Codes
Vehicle Control Unit (VCU) Diagnostic Trouble Codes
Valve Power Control (VPC) Diagnostic Trouble Codes
Cab Switch Module (CSM) Diagnostic Trouble Codes
Operational Checkout Procedure
Operational Checkout Procedure
Engine
Theory of Operation
System Diagrams
Diagnostic Information
Adjustments
Test
Electrical System
Theory of Operation
System Diagrams
Diagnostic Information
Monitor Operation
Diagnostic Test Box
Adjustments
Test
Power Train
Theory of Operation
System Diagrams
Diagnostic Information
Adjustments
Test
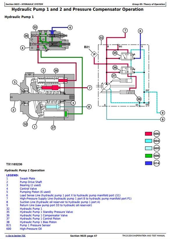
Hydraulic System
Theory of Operation
System Diagrams
Diagnostic Information
Adjustments
Test
Winch
Theory of Operation
System Diagrams
Diagnostic Information
Test
Heating and Air Conditioning
Theory of Operation
System Diagrams
Diagnostic Information
Test




