John Deere 643H 843H Feller Buncher Repair Technical Manual TM1845
Language: English
Format: PDF
Document: Repair Technical Manual
Machine: Feller Buncher
Machine Model: 643H, 843H
Pages: 575 Pages
Part Number: TM1845
Contents:
Foreword
Technical Information Feedback Form
General Information
Safety Information
General Specifications
Torque Values
Fuels and Lubricants
Wheels
Powered Wheels and Fastenings
Axles and Suspension System
Removal and Installation
Input Drive Shafts and U-Joints
Transmission
Removal and Installation
Control Linkage
Gears, Shafts, Bearings, and Power Shift Clutch
Hydraulic System (Hydrostatic Transmission)
Engine
Removal and Installation
Engine Auxiliary Systems
Cold Weather Starting Aids
Cooling System
Speed Controls
Intake System
External Exhaust System
External Fuel Supply System
Dampener Drive
Elements
Splitter Drive (Pump Drive Gearbox)
Removal and Installation
Gears, Shafts and Bearings
Steering System
Hydraulic System
Service Brakes
Active Elements
Hydraulic System
Park Brake
Active Elements
Electrical System
Batteries, Support and Cables
Alternator, Regulator and Charging System Wiring
Wiring Harness and Switches
Instruments and Indicators
Motors and Actuators
Frame or Supporting Structure
Frame Installation
Frame Bottom Guards
Operator`s Station
Removal and Installation
Operator`s Enclosure
Seat and Seat Belt
Heating and Air Conditioning
Safety, Convenience and Miscellaneous
Fire Extinguisher
Horn and Warning Devices
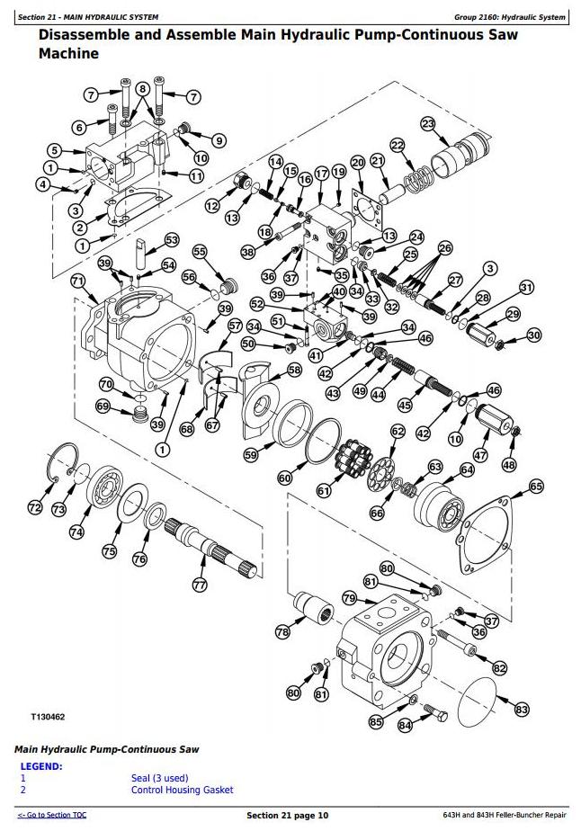
Main Hydraulic System
Hydraulic System
Shear
Blades and Cutting Elements
Controls Linkage
Hydraulic System
Dealer Fabricated Tools
Dealer Fabricated Tools




