John Deere 650 750 Tractor Technical Manual TM1242
Language: English
Format: PDF
Document: Technical Manual
Machine: Utility Tractor
Machine Model: 650 (SN. 001000-025426), 750 (SN. 001000-028161)
Part Number: TM1242
Page: 796 Pages
Contents:
SECTION 10-GENERAL
Group 00 -Specifications and Special Tools
Group 05-Predelivery, Delivery and After-Sale Services
Group 10 -Tune-Up
Group 1 5-Lubrication
Group 20 -650 Separation
Group 25-750 Separation
SECTION 20-ENGINE REPAIR
Group 00-Specifications and Special Tools
Group 05-Valve Train, Cylinder Head and Camshaft
Group 10- Pistons, Rods, and Cylinder Blocks
Group 15 -Flywheel, Crankshaft, and Main Bearings
Group 20-Lubrication System
Group 25-Cooling System
SECTION 30-FUEL AND REPAIR
Group 00 -Specifications and Special Tools
Group 05 -Air Intake System
Group 10 -Diesel Fuel System
Group 15- Speed Control Linkage
SECTION 40-ELECTRICAL REPAIR
Group 00-Specifications and Special Tools
Group 05-General Information
Group 10 -Charging System
Group 15 -Starting Motor
Group 20-Instruments and Accessory Circuits
Group 25-Lighting Circuits
SECTION 50-650 POWER TRAIN REPAIR
Group 00-Specifications and Special Tools
Group 05-Engine Clutch and Linkage
Group 10 -Sliding Gear Transmission
Group 15-Rear PTO
Group 20-Differential
Group 25-Final Drive
Group 30-Mechanical Front-Wheel Drive
Group 35-Front PTO
SECTION 55-750 POWER TRAIN REPAIR
Group 00-Specifications and Special Tools
Group 05-Engine Clutch and Linkage
Group 10 -Sliding Gear Transmission
Group 15 -Rear PTO
Group 20-Differential
Group 25-Final Drive
Group 30-Mechanical Front-Wheel Diive
Group 35 Front PTO
SECTION 60-STEERING/BRAKES REPAIR
Group 00-Specifications and Special Tools
Group 05-Steering Gear Repair
Group 10-Power Steering Repair (Field Option)
Group 15-Brakes Repair
SECTION 70-HYDRAULIC REPAIR
Group 00-Specifications and Special Tools
Group 05-Hydraulic Pump Repair
Group 10 -Rockshaft and Implement Hitches
Group 15 -Selective Control Valve Repair
SECTION 80-MISCELLANEOUS REPAIR
Group 00-Specifications and Special Tools
Group 05-Front Axle Assembly
Group 10 -Wheels
Group 15-Operators Station Repair
SECTION 220-ENGINE OPERATION AND TESTS
Group 00-Specifications and Special Tools
Group 05-System Operation
Group 10-System Test and Diagnosis
SECTION 230-FUEL/AIR OPERATION AND TESTS
Group 00-Specifications and Special Tools
Group 05-Air Intake System
Group 10 -Diesel Fuel System
Group 15 -Speed Control Linkage
SECTION 240 ELECTRICAL OPERATION
Group 00-Specifications and Special Tools
Group 05 -General Information and Diagrams
Group 10 -Charging System
Group 15 -Starting Circuit
Group 20-Instruments and Accessary Circuits
Group 25-Lighting Circuits
SECTION 250-650 POWER TRAIN OPERATION AND TESTS
Group 00-Specifications and Special Tools
Group 05-Clutch and Transmission Operation
Group 10-Diagnosing the Clutch, Transmission and Front-Wheel Drive
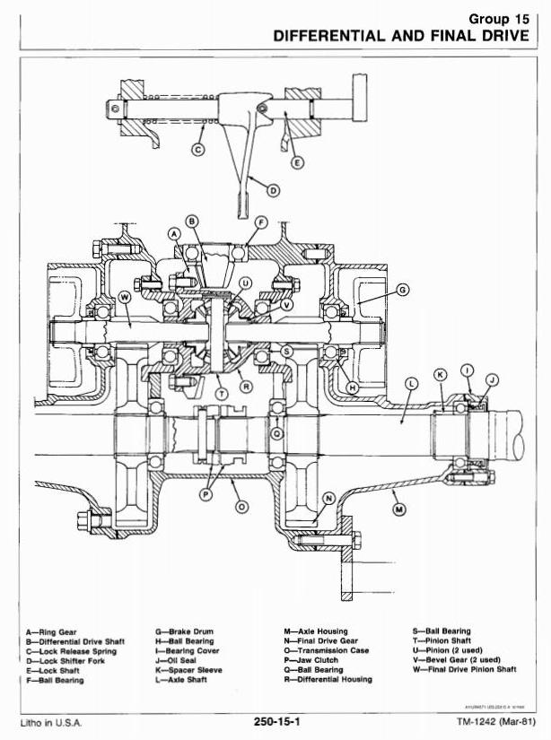
Group 15 -Differential and Final Drive
Group 20-Mechanical Front-Wheel Drive Operation
SECTION 255-750 POWER TRAIN OPERATION AND TESTS
Group 00-Specifications and Special Tools
Group 05-Clutch and Transmission Operation
Group 1 0-Diagnosing the Transmission, and Front Wheel Drive
Group 15 -Differential and Final Drive
Group 20-Mechanical Front-Wheel Drive Operation
SECTION 260-STEERING/BRAKES OPERATION AND TEST
Group 00-Specifications and Special Tools
Group 05-Manual Steering
Group 10 -Power Steering
Group 15 -Brakes
SECTION 270- HYDRAULIC OPERATION AND TESTS
Group 00-Specifications and Special Tools
Group 05-Hydraulic System Operation
Group 10-Hydraulic System Test and Diagnosis
Group 15 -Hydraulic Pump
Group 20-Rockshaft and Implement
Group 30-Selective Control Valve




