John Deere 655 755 756 855 856 955 Compact Utility Tractor Technical Manual TM1360
Language: English
Format: PDF
Document: Technical Manual
Machine: Compact Utility Tractor
Machine Model: 756, 856, 655, 755, 855, 955
Part Number: TM1360
Page: 1360 Pages
Contents:
SECTION 10-GENERAL INFORMATION
Group 05-Safety
Group 10-Repair Specifications
Group 15-Repair Information
Group 20-Fuels, Lubricants, and Coolants
Group 25-Serial Number Locations
SECTION 20-DIESEL ENGINE REPAIR
Group 05-Yanmar Diesel Engine Repair
Group 10-Remove and Install Oil Cooler
Group 15-Remove and Install Radiator
Group 20-Remove and Install Diesel Engine
SECTION 30-FUEL AND AIR REPAIR
Group 05-Fuel Transfer Pump
Group 10-Fuel Tank
Group 15-Fuel Tank Tube and Sender
Group 20-Air Cleaner
SECTION 40-ALTERNATOR REPAIR
Group 05-Alternator Repair Specifications
Group 10-Alternator Installation
SECTION 50-POWER TRAIN REPAIR
Group 05-Hydrostatic Transmission
Group 10-Transaxle
Group 15-Final Drives
Group 20-Mechanical Front Wheel Drive (MFWD)
Group 25-Power Train Gears and Shafts
Group 30-Speed Control Linkage
SECTION 60-STEERING AND BRAKES REPAIR
Group 05-Standard Front Axle
Group 10-Steering Valve
Group 15-Brake Linkage
SECTION 70-HYDRAULICS REPAIR
Group 05-Hydraulic Pump
Group 10-Flow Divider and Selective Control Valves (SCV's)
Group 15-Rockshaft
Group 20-Hydraulic Hoses
SECTION 80-MISCELLANEOUS REPAIR
Group 15-Operator's Seat
Group 20-European Roll-Gard®
Group 25-German Rear Hitch
Group 30-3-Point Hitch
SECTION 210-MACHINE OPERATIONAL CHECKOUT PROCEDURE
Group 05-Machine Operational Checkout Procedure
SECTION 220-ENGINE/FUEL OPERATION AND TESTS
Group 05-Engine Systems Operational Checkout Procedure
Group 10-Engine System Diagnosis
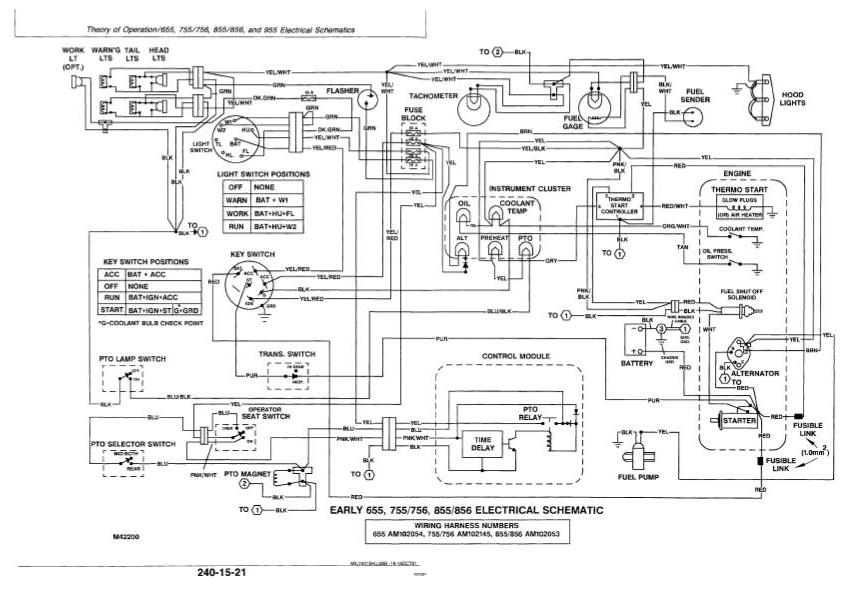
SECTION 240-ELECTRICAL OPERATION AND TESTS
Group 05-Electrical System Checkout
Group 10-Electrical System Diagnosis
Group 15-Theory of Operation
SECTION 250-POWER TRAIN OPERATION AND TESTS
Group 05-Power Train System Checkout
Group 10-Power Train Test and Adjustments
Group 15-Theory of Operation
SECTION 260-STEERING AND BRAKE OPERATION AND TESTS
Group 05-Steering and Brakes System Checkout
Group 10-Steering and Brakes Test and Adjustments
Group 15-Theory of Operation
SECTION 270-HYDRAULIC OPERATION AND TESTS
Group 05-Hydraulic System Checkout
Group 10-Hydraulic System Test and Adjustments
Group 15-Theory of Operation
INDEX




