John Deere 6650 6750 6850 6950 Self-Propelled Forage Harvester Diagnosis Test Manual TM4549
Language: English
Format: PDF
Document: Diagnosis Test Manual
Machine: Self-Propelled Forage Harvester
Machine Model: 6650, 6750, 6850, 6950 (SN. before 503680)
Pages: 1069 Pages
Part Number: TM4549
Contents:
Engine
Fuel, Air Intake and Cooling Systems
Electrical System
Power Train
Replacing Main Drive Belt
Angled Drive
Transmission and Differential
Final Drives
Hydrostatic Drive, Variable Pump
Hydrostatic Drive, Fixed-Displacement Motor
Hydrostatic Drive, Oil Change
Cam Lobe Motor
Brakes, Steering, Rear Axle
Brake Operating Assembly
Brakes
Hydrostatic Steering
ROW-TRAK System
Rear Axle
Hydraulic System
Accumulators
Triple Hydraulic Pump
Electromagnetic Control Valve
Reverser Motor
Hydraulic Motor - Discharge Spout
Miscellaneous
Fuel Tank Hood
Operator`s Cab, Air Conditioning System
Control Levers
Cab Ventilation
Replacing Cab Windows
R134a Air Conditioning System
Super Comfort Seat
Harvesting Units
Feeding System
Length-of-Cut Transmission
Reverser Clutch
Electric Clutch
Feed Roll Channel
Feed Roll Assembly
Locking Pawl
Cutterhead Assembly
Knife Sharpening Device
Cutterhead
Bottom and Outlet Bands
Removing and Installing Stationary Knife
Kernel Processor
Power Chute
Discharge Components
Discharge Fan
Blower Rotor and Rotor Bearings
Discharge Spout
General Information
Engine
Fuel, Air Intake and Cooling Systems
Electrical System
Test Equipment
Electrical System Diagrams
Batteries, Starting Motor, Alternator
Safety Switches, Basic Relays
Engine Shut-Off Device
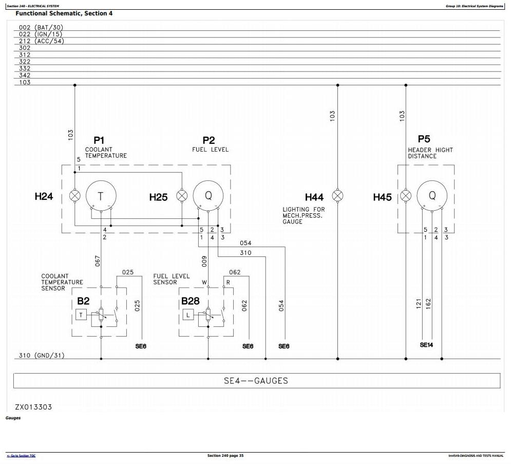
Instruments
Electronic INFO-TRAK Monitor
Turning Discharge Spout
Raising/Lowering Discharge Spout
Reel Fore-and-Aft Adjustment
Raising Reel
Reel Speed Adjustment
676 Rotary Harvesting Unit (North America)
Attaching Trailer
Raising/Lowering Harvesting Unit
Pressure Valves, Trailer Dump
Main Clutch, Reverser
Four-Wheel Drive
Lighting System
Work Lights
Stop Lights, Horn
Beacon Lights
Fan, Air Conditioning System
Windshield Wiper/Washer System
Radio, Interior Lighting
Rotary Radiator Screen, Reverse Travel Alarm
Cigarette Lighter, Seat Compressor
Spout Rinsing System
Discharge Spout Flap Adjustment
Main Electronic System
Metal Detector
Electronic Control Unit
ROW-TRAK System
POWR-SAVR
676 Rotary Harvesting Unit (North America)
Power Train
Brakes, Steering, Rear Axle
Brake Operating System
Drum Brakes
ROW-TRAK System
ROW-TRAK Steering Function
ROW-TRAK Calibration
Hydraulic System
Operator`s Cab
Air Conditioning System
Operator`s Seat




