John Deere 670B 672B 770B 770BH 772B 772BH Motor Grader Diagnostic Operation Test Manual TM1452
Language: English
Format: PDF
Document: Diagnostic Operation Test Manual
Machine: Motor Grader
Machine Model: 670B 672B 770B 770BH 772B 772BH
Part Number: TM1452
Page: 1197 Pages
Contents:
Foreword
General Information
Safety
General Specifications
Torque Values
Fuels And Lubricants
Operational Checkout Procedure
Operational Checkout Procedure
Engine
Theory Of Operation
System Operational Checks
Diagnostic Information
Adjustments
Test
Electrical System (SN -543489)
Electrical System Operation And Test (SN -543489)
Electrical System (SN 543490-)
System Information
System Diagrams
Sub-System Diagnostics
Adjustments And Additional Information
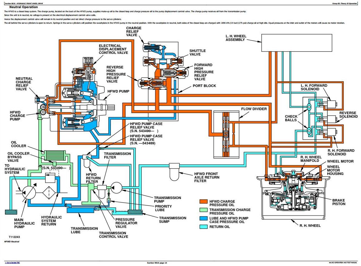
Hydraulic Front Wheel Drive
Theory Of Operation
System Operational Checks
Diagnostic Information
Adjustments
Test
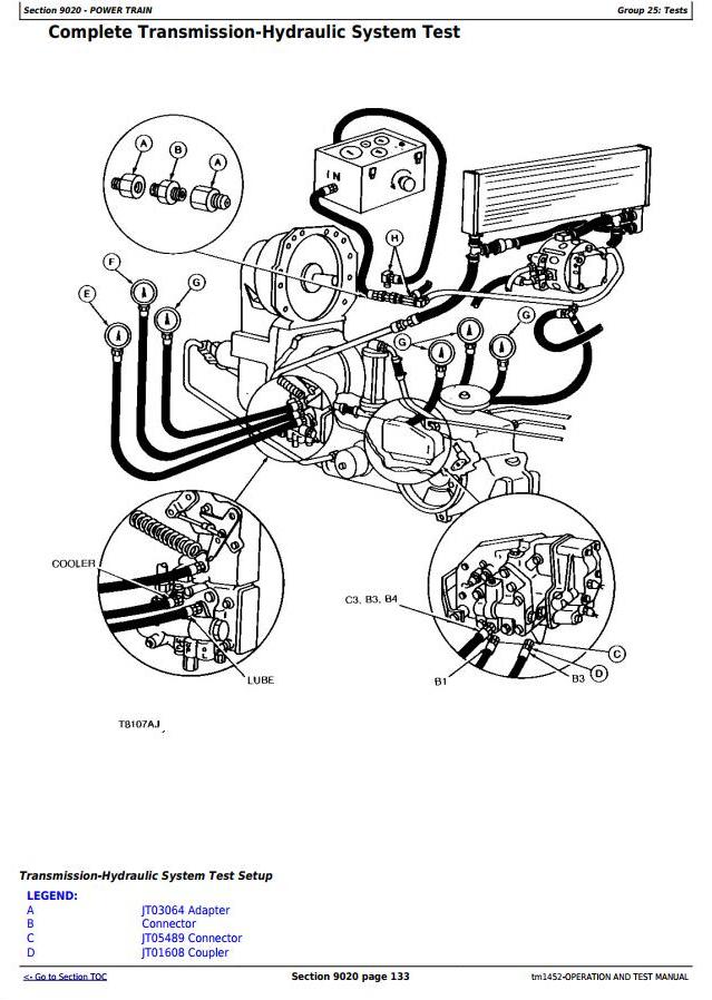
Power Train
Theory Of Operation
System Operational Checks
Diagnostic Information
Adjustments
Test
Hydraulic System
Theory Of Operation
Operational Checks
Diagnose Malfunctions
Adjustment
Test
Heating And Air Conditioning
Theory Of Operation
System Operational Checks
Diagnostic Information
Adjustments
Test




