John Deere 670C 670CH 672CH 770C 770CH 772CH Motor Grader Diagnostic Operation Test Manual TM1606
Language: English
Format: PDF
Document: Diagnostic Operation Test Manual
Machine: Motor Grader
Machine Model: 670C, 670CH, 672CH, 770c, 770CH, 772CH
Pages: 1081 Pages
Part Number: TM1606
Contents:
Foreword
General Information
Safety
General Specifications
Torque Values
Fuels And Lubricants
Operational Checkout Procedure
Operational Checkout Procedure
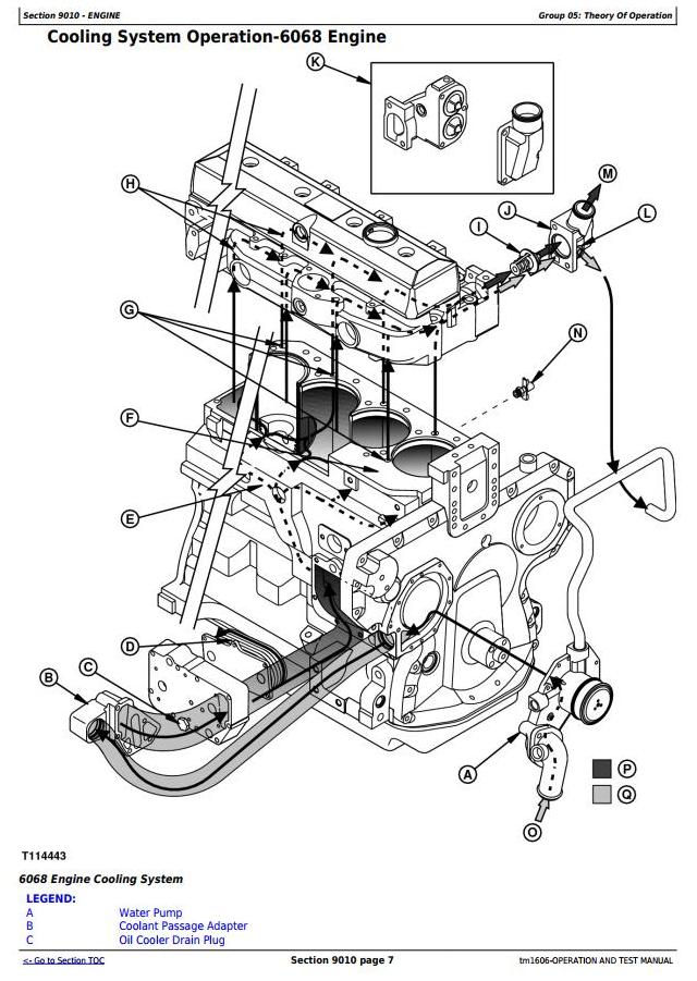
Engine
Theory Of Operation
Diagnostic Information
Adjustments
Test
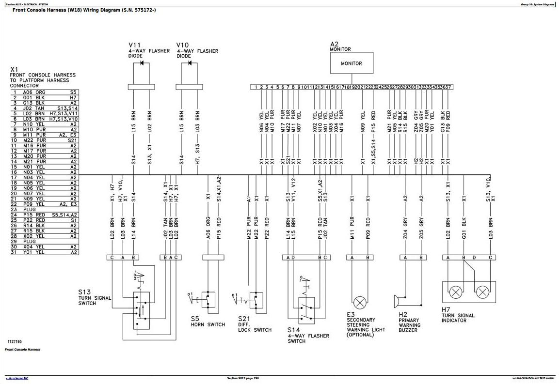
Electrical System
System Information
System Diagrams
Sub-System Diagnostics
Diagnostic Trouble Codes
References And Test
Hydraulic Front Wheel Drive
Theory Of Operation
Diagnostic Information
Adjustments And Checks
Test
Power Train
Theory Of Operation
Diagnostic Information
Adjustments
Test
Hydraulic System
Theory Of Operation
Diagnose Malfunctions
Adjustments
Test
Heating And Air Conditioning
Theory Of Operation
System Operational Checks
Diagnostic Information
Adjustments
Test




