John Deere 710K Backhoe Loader Diagnostic Operation Test Manual TM12511
Language: English
Format: PDF
Document: Diagnostic Operation Test Manual
Machine: Backhoe Loader
Machine Model: 710K (PIN: 1T0710KX__D219607-) (T3/S3A) (SN: D219607-)
Pages: 1210 Pages
Part Number: TM12511
Contents:
Foreword
Manual Identification-READ THIS FIRST!
General Information
Safety
Diagnostics
Engine Control Unit (ECU) Diagnostic Trouble Codes
Standard Display Monitor (SDM) Diagnostic Trouble Codes
Transmission Control Unit (TCU) Diagnostic Trouble Codes
Vehicle Control Unit (VCU) Diagnostic Trouble Codes
Auxiliary Valve Control (AVC) Diagnostic Trouble Codes
Sealed Switch Module (SSM) Diagnostic Trouble Codes
Operational Checkout Procedure
Operational Checkout Procedure
Engine
Theory of Operation
Diagnostic Information
Adjustments
Test
Electrical System
System Information
System Diagrams
Sub-System Diagnostics
Monitor Operation
References
Power Train
Theory of Operation
Diagnostic Information
Adjustments
Test
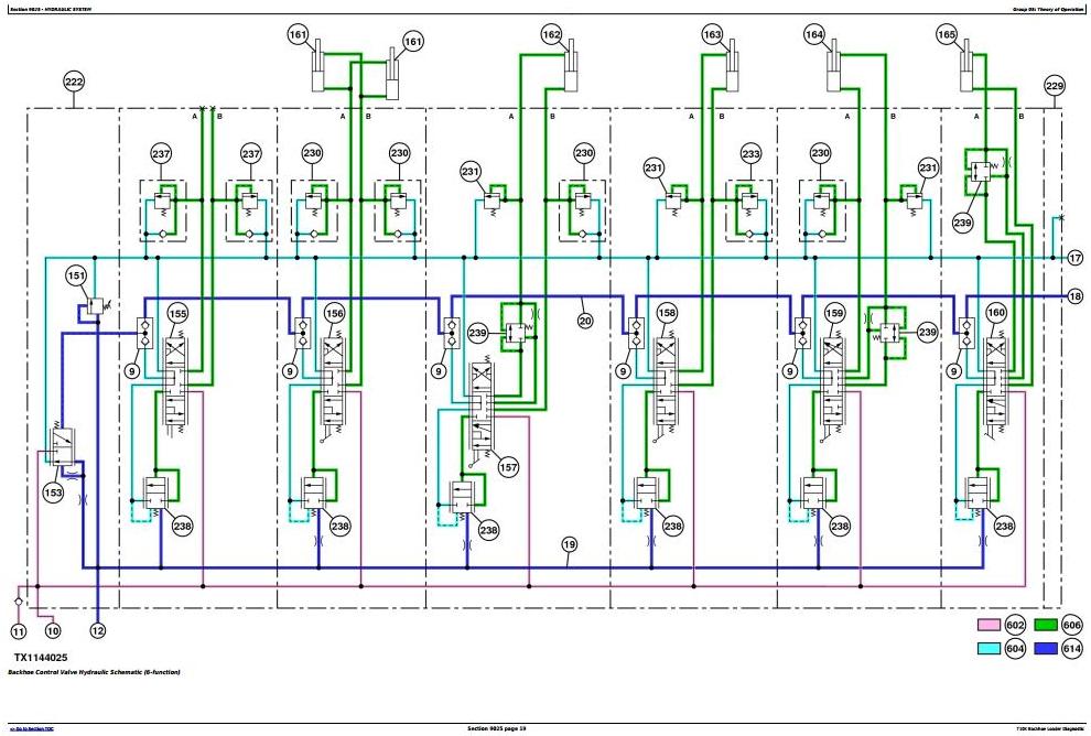
Hydraulic System
Theory of Operation
Diagnostic Information
Adjustments
Test
Heating and Air Conditioning
Theory of Operation
Diagnostic Information
Test




