John Deere 724 732 740 724i 732i 740i Trailed Sprayer Diagnostic Repair Manual TM402919
Language: English
Format: PDF
Document: Diagnostic Repair Manual
Machine: Trailed Sprayer
Machine Model: 724, 732, 740, 724i, 732i, 740i with ELC-1/EHC-2 Control Unit / with EL-4 Control Unit
Pages: 857 Pages
Part Number: TM402919
Contents:
Electrical System
Connector Repair
Sensors
Brake System
Hydraulic Brake System
Pneumatic Brake System
Hydraulic System
Hydraulic Functions
Hydraulic Cylinders
Control Valves
Accumulator
Frame and Spray Boom
Welding and Repair
Spray Boom
Center Frame
Axle
Drawbar
Parallelogram
Adjustments
Tanks and Accessories
Solution Tank
Rinse Tank
Hand Wash Tank
Polyethylene Tank Repair
Pump
Pump
Lines and Valves
Spray Line
Activation Systems
Flow Meter
Ball Valves
Regulating Unit
Spray Nozzles
Spray Nozzles
Diagnostic Trouble Codes with GreenStar Sprayer Control
SPC Codes
Observable Symptoms
Electrical Symptoms
Brake Symptoms
Hydraulic Symptoms
Solution System Symptoms
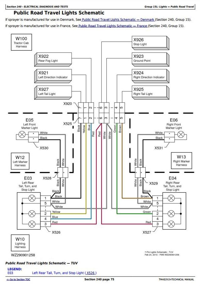
Electrical Diagnosis and Test
Accessing Diagnostic Codes and Addresses
Diagnostic Trouble Codes
Diagnostic Addresses
Connector Information
Brake System Diagnostics
General Information
Hydraulic Brake System
Pneumatic Braking System
Hydraulic Brakes 700 Schematic
Hydraulic Diagnosis and Test
EL-4 Hydac Hydraulics V3 700 Schematic
EHB-1/EHB-2 700 Schematic
EHB-1/EHB-2/ISOBUS - Hydraulic Connections 700 Schematic
Folding/Unfolding SCV 2 Part Folding Boom Schematic
EHS-1 2 Part Folding Boom Schematic
EHS-1 3 Part Folding Boom
EHB-2 3 Part Folding Boom Schematic
Independent Yaw Suspension 700 Schematic
EHB-1/EHB-2 2 Part Folding Boom 700 Hydac Hydraulic Schematic
EHB-2 3 Part Folding Boom 700 Hydac Hydraulic Schematic
Component Location
Solution System
Solution System without Ring Line
Solution System with Ring Line
AutoDilute System




