John Deere 7330 2WD MFWD Tractor Diagnosis Test Service Manual TM401119
Language: English
Format: PDF
Document: Diagnosis Test Service Manual
Machine: Tractor
Machine Model: 7330
Pages: 2977 Pages
Part Number: TM401119
Contents:
Foreword
Serial Number Break 2009
General Information
Safety Measures
General References
Diagnostic Trouble Codes
BCU Control Unit
ECU Control Unit
EPC Control Unit
Observable Symptoms
Electrical System
Electronic Control Units
PowrQuad Transmission
Drive Train (without Transmission)
Steering and Brakes
Hydraulic System
Operator`s Cab
System Diagnostics
Electronics
PowrQuad Transmission
Hydraulic System
Engine
General Information
Operational Checks
Test and Adjustments
Fuel, Air Intake and Cooling Systems
Test and Adjustments
Fuel System
Air Intake System
Cooling System
Cold-Weather Starting Aids
Electrical System
Starting Motor and Charging Circuit
Fuel Preheater
Electrical Starting Aid
Instrument Unit
Horn
Operator`s Seat and Cigarette Lighter
Lights
Worklights
Radio, Dome Light and Console Light
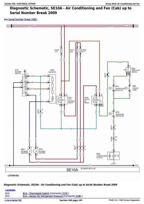
Air Conditioning and Fan
Windshield Wiper and Washer
Rear Window Wiper and Washer
Beacon Light
3-Terminal Power Outlet Socket (SAE)
3-Terminal Power Outlet Socket (ECE)
Connector for Accessories
BCU Control Unit (Electronic Hitch Control)
BCU Control Unit (Basic Functions)
Signal Socket and Service Socket
7-Terminal Power Outlet Socket (ECE)
7-Terminal Power Outlet Socket (SAE)
TSC Control Unit (Suspension)
CAN BUS Terminating Resistor
Level 16 ECU Control Unit (Electronic Engine Control) for 2-Valve Engine with HPCR
Back-Up Alarm
EPC Control Unit (Transmission Control with PowrQuad Plus Transmission)
PRC Control Unit (Transmission Control with Electrically Actuated PowrReverser Transmission)
SyncroPlus Transmission
Prewiring for GreenStar
Component Information - Connectors and Contacts
Component Information - Connectors (X001 to X249)
Component Information - Connectors (X250 to X499)
Component Information - Connectors (X500 to X749)
Component Information - Connectors (X750 to X999)
Component Information - Connectors (XGND)
Component Information - Wiring Harnesses
Component Information - Electrical Parts/Components
Component Information - Electrical Parts/Components (Actuators)
Component Information - Electrical Parts/Components (Sensors/Switches/Potentiometers)
Component Information - Electrical Parts/Components (Fuses/Relays/Diodes)
Component Information - Electrical Parts/Components (Headlamps/Lights)
Component Information - Electrical Parts/Components (Other)
Component Information - Ground Connections
Component Information - CAN BUS System
Electronic Control Units
Operation and General Information on Diagnostics
Interactive Test
Interactive Calibrations
Information on How to Reprogram Control Units
Data BUS Systems
BCU Control Unit
ECU Control Unit
EPC Control Unit
PRC Control Unit
PowrQuad Transmission
Operational Checks
Test and Adjustments
Theory of Operation
Drive Train (without Transmission)
Operational Checks
Test and Adjustments
Front-Wheel Drive Clutch
Differential
Final Drives
Rear PTO Options
Steering and Brakes
Introductory Checks
Operational Checks
Test and Adjustments
Hydrostatic Steering
Brake Valve
Rear Brakes
Hydraulic System
Operational Checks
Test and Adjustments
Theory of Operation
Oil Filter, Charge Pump and Hydraulic Pump
Hitch
Selective Control Valves (SCVs)
Independent Control Valves (ICVs)
Hydraulic Block
Operator`s Cab
Operational Checks
Test and Adjustments
Ventilation/Heating
Air Conditioning System
Special Tools
Special Tools (Dealer-Fabricated)
Special Tools (Available as Spare Parts)




